Скиммер от шведского производителя оборудования для бассейнов. Применяется для чаш с пленочной облицовкой (лайнер, ПВХ-пленка) в бассейнах любого вида: композитных, полипропиленовых и бетонных.
Аналог скиммера Pahlen с короткой горловиной из нержавеющей стали под лайнер/пленку 112971, но с выходами для долива, перелива, и кабеля датчика уровня.

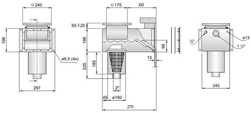
Обычно скиммер устанавливается у торцевой стенки бассейна, а входной патрубок с противоположной. Трубопроводы подсоединяются с использованием соответствующих уплотняющих материалов для резьбового соединения. Скиммер закрепляется на несущих конструкциях с помощью крепежных пластин на фланце. Уровень воды должен приходиться на середину отверстия, а фланец должен располагаться заподлицо с плоскостью готовой стенки бассейна.
Затем на бассейн облицовывают, например, лайнером и заполняют водой до уровня на 5 см ниже скиммера. Только после этого монтируется передняя рама и уплотнение. Пленочное покрытие обрезается по внутреннему контуру передней рамки скиммера, и только затем бассейн заполняется водой до уровня середины отверстия скиммера. Чтобы предотвратить возможное проседание скиммера, следует заполнить свободное пространство в его задней части песком.
Оплата доставки здійснюється за рахунок покупця.
Оплата товару може здійснюватися різними методами за бажанням покупця:
Компанія ТОВ «ВОТЕР ІНЖИНІРІНГ» здійснює гарантійне та післягарантійне обслуговування обладнання для басейнів, ставків, аквапарків, опалювального обладнання.
Для виконання гарантійного ремонту та обслуговування повинні бути дотримані такі умови:
Для запуску процесу гарантійного обслуговування необхідно виконати такі дії:
Для більш детальної інформації пройдіть за посиланням.