
Protherm Пантера 35 KTV газовый двухконтурный турбо котел мощностью 35 кВт, подходит для отопления помещения площадью до 350 м2. Это новая модель котла, 2015 года выпуска с встроенной коммуникационной шиной eBUS и с уже более усовершенствованной системой безопасности.
|
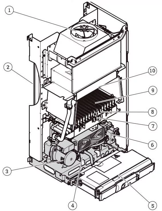
1.- Подключение системы дымохода 2.- Мембранный расширительный бак 3.- Насос системы отопления 4.- Гидравлический блок 5.- Блок электроники 6.- Газовая арматура 7.- Электрод розжига 8.- Контрольный электрод 9.- Горелка 10.- Первичный теплообменник |
![]() |
Protherm Пантера 35 KTV газовый двухконтурный турбо котел оснащен двумя теплообменниками, основной из них выполнен из хромоникелевой стали. Горелка котла выполнена из того же состава, что значительно продлевает сроки службы котла.

У нового поколения турбо котлов Protherm Пантера 35 KTV дисплей стал намного ярче и больше по размерам, что позволит четко видеть данные по работе котла даже в светлом помещении. Более изысканный и приятный дизайн котла позволяет ему вписаться в любой интерьер.
Новая модель Protherm Пантера 35 KTV газовых двухконтурных котлов оборудована дополнительными элементами безопасности, которые помогают предотвратить перегрев и снизить риск замерзания.
А благодаря встроенной коммуникационной шине eBUS технические возможности газового турбокотла Protherm Пантера 35 KTV значительно увеличиваются. Котел можно подключать к термостатам и самым разным программаторам, как проводным так и беспроводным, погодозависимым устройства для создания комфорта в вашем доме.
В газовых двухконтурных котлах Protherm Пантера 35 KTV абсолютно все детали отличаются высоким качеством. Что гарантирует их безотказную и долговременную работу. В случае необходимости ремонта, для данных котлов у нас всегда формируются популярные запасные части.
Гидравлический блок нового турбо котла изготовлен из более прочного композитного материала, который значительно отличается большей долговечностью и надежностью.
Купить двухконтурный турбо котел Protherm Пантера 35 KTV можно в интернет магазине Waterpark по выгодной цене с доставкой по всей территории Украины!
Оплата доставки здійснюється за рахунок покупця.
Оплата товару може здійснюватися різними методами за бажанням покупця:
Компанія ТОВ «ВОТЕР ІНЖИНІРІНГ» здійснює гарантійне та післягарантійне обслуговування обладнання для басейнів, ставків, аквапарків, опалювального обладнання.
Для виконання гарантійного ремонту та обслуговування повинні бути дотримані такі умови:
Для запуску процесу гарантійного обслуговування необхідно виконати такі дії:
Для більш детальної інформації пройдіть за посиланням.