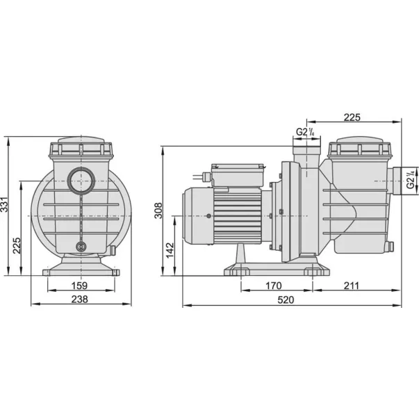
Самовсасывающий насос с префильтром предназначенный для работы в системе фильтрации бассейнов и искусственных водоемах, объемом до 50 м3. Наличие префильтра позволяет использовать насос с загрязненной водой, весь крупный мусор (2,5 мм и более) улавливается в корзине префильтра. Блок префильтра закрыт прозрачной крышкой из поликарбоната для легкого контроля уровня загрязнения. Для очистки корзины необходимо открутить крышку с помощью ручного ключа (поставляется в комплекте).
Насос может быть установлен выше или ниже уровня воды (+/- 2,5 м). Корпус насос выполнен из качественного термостойкого пластика. Двигатель произведен из нержавеющей стали.
Рекомендации по установке насоса: монтировать на ровной твердой поверхности, в месте с хорошей вентиляцией, защищенном от прямых солнечных лучей. Запрещено эксплуатировать с морской/соленой водой.


Оплата доставки здійснюється за рахунок покупця.
Оплата товару може здійснюватися різними методами за бажанням покупця:
Компанія ТОВ «ВОТЕР ІНЖИНІРІНГ» здійснює гарантійне та післягарантійне обслуговування обладнання для басейнів, ставків, аквапарків, опалювального обладнання.
Для виконання гарантійного ремонту та обслуговування повинні бути дотримані такі умови:
Для запуску процесу гарантійного обслуговування необхідно виконати такі дії:
Для більш детальної інформації пройдіть за посиланням.