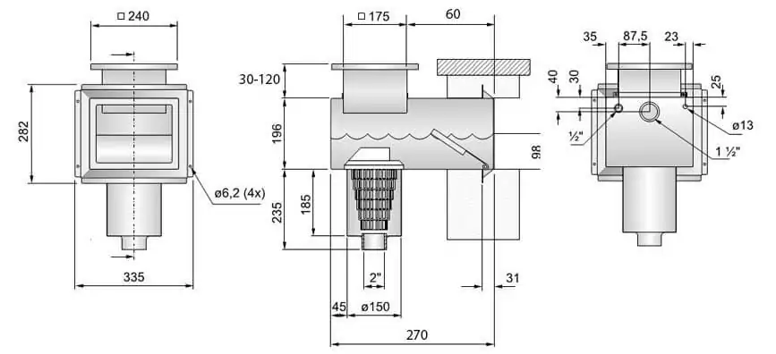
Скиммер от шведского производителя оборудования для бассейнов. Применяется для бетонных чаш с плиточной или мозаичной облицовкой.

Обычно скиммер устанавливается у торцевой стенки бассейна, а входной патрубок у противоположной. Перед заливкой стены необходимо изолировать фланец и отверстие скиммера, чтобы предотвратить попадание в них бетона. Трубопроводы подсоединяются с использованием соответствующих уплотняющих материалов для резьбового соединения. Скиммер монтируется в опалубке с помощью выступающих пластин на фланце. Уплотнительный фланец скиммера должен располагаться в центре опалубки, а поверхность воды должна приходиться точно на середину отверстия. Стена должна иметь фаску под 45° по отношению к плоскости скиммера. Выступающая часть основания дна бассейна должна быть по всему периметру тщательно подогнана к стенкам и скреплена с ними прилагаемой специальной скрепляющей лентой.
Оплата доставки здійснюється за рахунок покупця.
Оплата товару може здійснюватися різними методами за бажанням покупця:
Компанія ТОВ «ВОТЕР ІНЖИНІРІНГ» здійснює гарантійне та післягарантійне обслуговування обладнання для басейнів, ставків, аквапарків, опалювального обладнання.
Для виконання гарантійного ремонту та обслуговування повинні бути дотримані такі умови:
Для запуску процесу гарантійного обслуговування необхідно виконати такі дії:
Для більш детальної інформації пройдіть за посиланням.