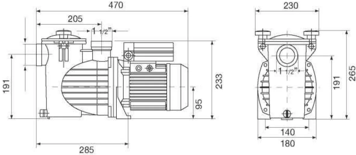
Моноблочный циркуляционный насос с префильтром серии Winner с системой электронного управления Smart Control. Панель управления насоса позволяет контролировать и программировать работу всего оборудования бассейна.
Гидравлической блок изготовлен из полипропилена, армированного стекловолокном и усиленного ребрами жесткости. Вал двигателя из нержавеющей стали марки AISI 316 с сальниками из углеродистой стали с латунной вставкой. Насос можно использовать для перекачивания морской/соленой воды.
Прозрачная крышка корзины грубой очистки позволяет легко контролировать уровень загрязнения. Крышка фиксируется двумя откидными винтами, не требуется инструмент для ее снятия. В верхней части корзины фиксируется резиновая прокладка для дополнительного уплотнения от протечек.


.jpg.webp)
Оплата доставки здійснюється за рахунок покупця.
Оплата товару може здійснюватися різними методами за бажанням покупця:
Компанія ТОВ «ВОТЕР ІНЖИНІРІНГ» здійснює гарантійне та післягарантійне обслуговування обладнання для басейнів, ставків, аквапарків, опалювального обладнання.
Для виконання гарантійного ремонту та обслуговування повинні бути дотримані такі умови:
Для запуску процесу гарантійного обслуговування необхідно виконати такі дії:
Для більш детальної інформації пройдіть за посиланням.