Редукция длинная ПВХ Ø 75-63х50 мм Coraplax, одна из разновидностей фитингов, применяется в трубопроводах объвязки бассейна. Муфта редукционная используется в качестве переходника с болешего диаметра трубы на меньший, в данном случае переход Ø 75-63х50 мм.
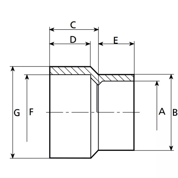
Габаритные размеры редукции длинная ПВХ Ø 75-63х50 мм Coraplax:

| Размер DN: 40; | Размер B: 63 мм; | Размер C: 62 мм; | Размер D: 44 мм; | Размер E: 31 мм; | Вес: 0,153 кг |
Купить редукцию длинная ПВХ Ø 75-63х50 мм Coraplax вы можете в нашем интернет магазине, с доставкой по всей Украине.
Оплата доставки здійснюється за рахунок покупця.
Оплата товару може здійснюватися різними методами за бажанням покупця:
Компанія ТОВ «ВОТЕР ІНЖИНІРІНГ» здійснює гарантійне та післягарантійне обслуговування обладнання для басейнів, ставків, аквапарків, опалювального обладнання.
Для виконання гарантійного ремонту та обслуговування повинні бути дотримані такі умови:
Для запуску процесу гарантійного обслуговування необхідно виконати такі дії:
Для більш детальної інформації пройдіть за посиланням.