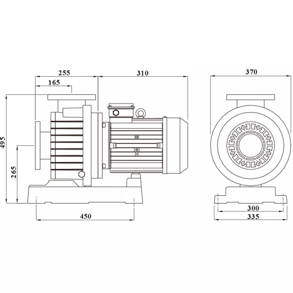
Высокопроизводительный самовсасывающий насос без префильтра для систем встречного течения, гидромассажа, водных аттракционов и фонтанов. Гидроблок изготовлен из полипропилена, армированного стекловолокном, материала устойчивого к УФ, агрессивной среде и коррозии. Крепежные винты и уплотнительное кольцо между блоком двигателя и гидравлической частью изготовлены из нержавеющей стали AISI 316. Для надежного соединения с трубопроводом труба подачи и забора воды крепится к насосу на фланцевых соединениях.
Насос соответствует нормам стандарта энергоэффективности IE3
Современный низко оборотистый двигатель асинхронного типа, работает практически бесшумно даже на высоких нагрузках. Вал электродвигателя изготовлен из нержавеющей стали марки 316 с сальниками из углеродистой керамики. Крыльчатка из Noryl пластика. Использование таких материалов в конструкции моторного и гидравлического блока позволяют эксплуатацию насоса с морской и соленой водой. Встроенное термореле отключит электропитание принудительно при достижении критически высоких температур моторного блока.
Насос комплектуется устойчивой подставкой для напольной установки и надежного крепления.


Оплата доставки здійснюється за рахунок покупця.
Оплата товару може здійснюватися різними методами за бажанням покупця:
Компанія ТОВ «ВОТЕР ІНЖИНІРІНГ» здійснює гарантійне та післягарантійне обслуговування обладнання для басейнів, ставків, аквапарків, опалювального обладнання.
Для виконання гарантійного ремонту та обслуговування повинні бути дотримані такі умови:
Для запуску процесу гарантійного обслуговування необхідно виконати такі дії:
Для більш детальної інформації пройдіть за посиланням.