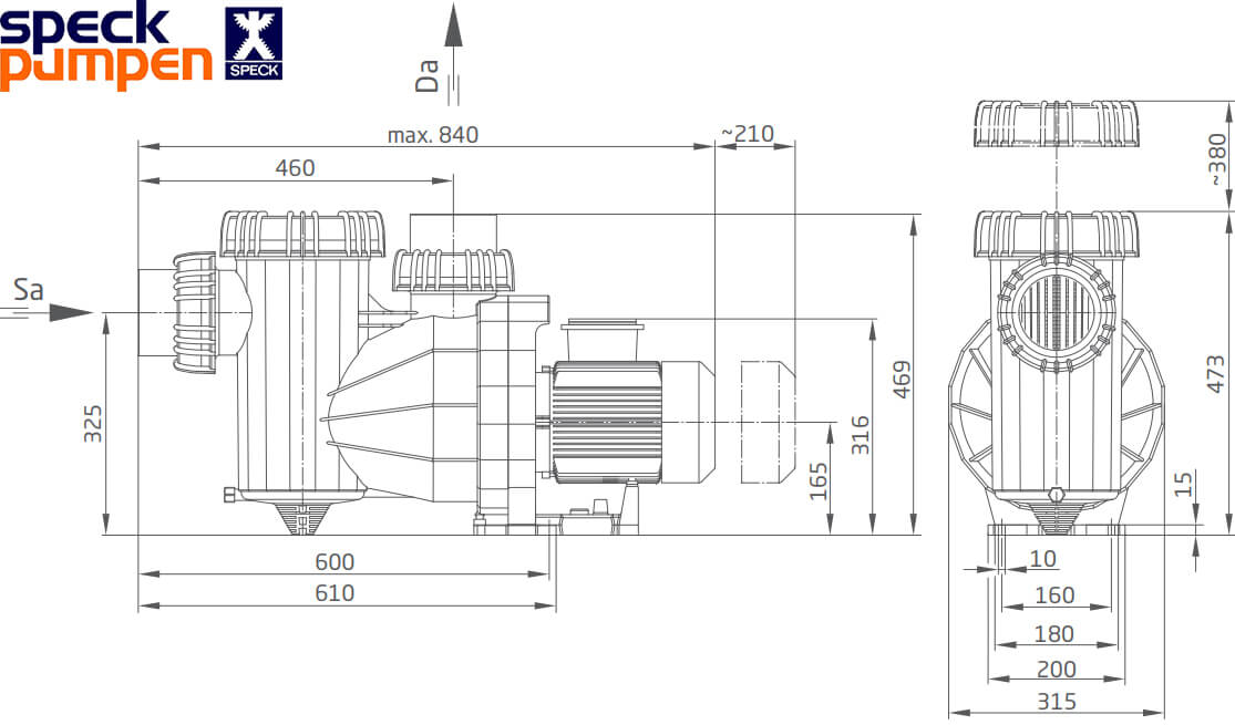
Насос с префильтром моноблочного типа для циркуляции воды в системе фильтрации общественных бассейнов и водоемах большого объема. Профессиональная серия с надежным гидроблоком, изготовленным из стекловолокна усиленным ребрами жесткости. Надежная конструкция всего изделия и большой префильтр объемом 10 л позволяют эксплуатировать насос долгие годы с высокой нагрузкой, без риска поломок.
Корзина грубой очистки улавливает весь крупный мусор и защищает гидравлическую часть от повреждения и износа. Прозрачная крышка корзины грубой очистки позволяет удобно контролировать степень загрязнения и необходимость чистки. Насос поставляется с ручным ключом для снятия крышки префильтра, другой, дополнительный инструмент не требуется.
Насос самовсасывающий, возможна установка выше или ниже уровня воды до +/- 3 метра. Допускается эксплуатация в водоемах с соленой водой, где содержание соли не превышает 5 гр/л. Вал электродвигателя не соприкасается с водой, соединение моторного блока и гидравлической части выполнено из материалов, не проводящих электричество, для максимальной безопасности.
Badu Resort может использоваться для перекачивания горячей воды, с температурой до 60С.


Оплата доставки здійснюється за рахунок покупця.
Оплата товару може здійснюватися різними методами за бажанням покупця:
Компанія ТОВ «ВОТЕР ІНЖИНІРІНГ» здійснює гарантійне та післягарантійне обслуговування обладнання для басейнів, ставків, аквапарків, опалювального обладнання.
Для виконання гарантійного ремонту та обслуговування повинні бути дотримані такі умови:
Для запуску процесу гарантійного обслуговування необхідно виконати такі дії:
Для більш детальної інформації пройдіть за посиланням.