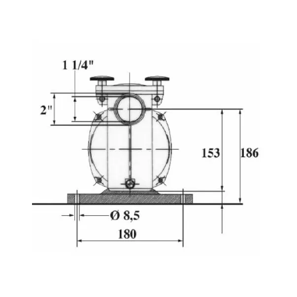
Однофазный насос с префильтром предназначен для циркуляции воды в системе фильтрации бассейна. Данная модель оборудована блоком грубой очистки - префильтром. В префильтре размещена корзина, для задержки крупного мусора. Крышка префильтра изготовлена из прозрачного поликарбоната, это позволяет отслеживать заполнение корзины. Корзина префильтра закрывается откидной крышкой, которая фиксируется шарнирными болтами из нержавеющей стали AISI 304.
Монтаж насоса можно производить выше уровня воды. Серия насосов NK предусмотрена для работы на бассейнах с соленой водой.

Основные элементы насоса изготовлены из антикоррозийных материалов. Вал асинхронного двухполюсного двигателя непрерывного действия изготовлен из нержавеющей стали. Класс водозащиты двигателя: IP55. Класс изоляции: F. Сальники изготовлены из керамографитовой пары и нуждаются в постоянном охлаждении, в связи с этим, постоянное присутствие потока воды обязательное.
В комплектацию насоса не входят муфты их необходимо приобретать отдельно:

Оплата доставки здійснюється за рахунок покупця.
Оплата товару може здійснюватися різними методами за бажанням покупця:
Компанія ТОВ «ВОТЕР ІНЖИНІРІНГ» здійснює гарантійне та післягарантійне обслуговування обладнання для басейнів, ставків, аквапарків, опалювального обладнання.
Для виконання гарантійного ремонту та обслуговування повинні бути дотримані такі умови:
Для запуску процесу гарантійного обслуговування необхідно виконати такі дії:
Для більш детальної інформації пройдіть за посиланням.