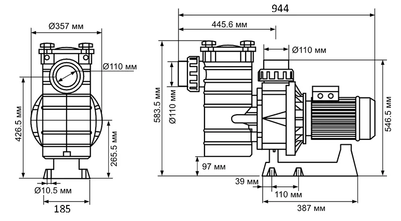
Центробежный насос моноблочного типа с префильтром для циркуляции воды в системе фильтрации бассейнов объёмом до 460 м3. Отличительной особенностью профессиональной серии насосов HCP является гидравлический блок и префильтр, изготовленный из термопластика, армированного стекловолокном, и крыльчатка из Noryl.
Модель можно применять для циркуляции в системах с морской или соленой водой.
Серия HCP – энергоэффективность класса IE3 и максимальная надежность.
Префильтр защищает крыльчатку и вал от попадания крупного мусора, износа и деформации. Крышка корзины фиксируется на 4-х откидных винтах с ручной насадкой, для снятия которых не требуется инструмент. Крышка изготовлена из прозрачного поликарбоната для удобного контроля степени загрязнения корзины.
Блок электродвигателя TEFС установлен на подставку для лучшего активного и пассивного охлаждения. Насосы серии HCP40 от Hayward это надежное решение для систем циркуляции общественных бассейнов. Устройство не уступает по надежности моделям из чугуна или бронзы, однако, значительно легче и доступней по цене.


Оплата доставки здійснюється за рахунок покупця.
Оплата товару може здійснюватися різними методами за бажанням покупця:
Компанія ТОВ «ВОТЕР ІНЖИНІРІНГ» здійснює гарантійне та післягарантійне обслуговування обладнання для басейнів, ставків, аквапарків, опалювального обладнання.
Для виконання гарантійного ремонту та обслуговування повинні бути дотримані такі умови:
Для запуску процесу гарантійного обслуговування необхідно виконати такі дії:
Для більш детальної інформації пройдіть за посиланням.