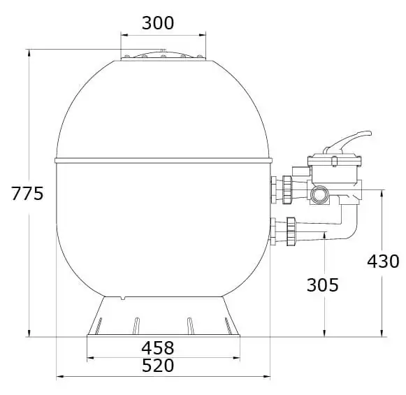
Ламинированная фильтрационная бочка Kripsol AK 520 испанского производства, предназначена для очистки воды в частных и общественных бассейнах, объемом до 65 м3. Корпус фильтра изготовлен из стеклопластика голубого цвета и установлен на специальную платформу. Подключение фильтра боковое.
Вода в песчаный фильтр Kripsol AK 520 подается под давлением при помощи насоса. Насос необходимо подбирать в зависимости от пропускной способности фильтра для его правильной работы. Переключение режимов фильтрации осуществляется с помощью шестипозиционного крана. Стоит помнить, что переключать режимы можно только после выключения насоса.


Промывку фильтра Kripsol AK 520 необходимо проводить не менее одного раза в две недели, весь процесс займет у вас примерно 5 минут. В этом вам поможет шестипозиционный кран, который нужно установить в режим «BACKWASH» и затем на 40 секунд в режим «RINSE» для усадки песка. Полностью все режимы работы фильтра регулируются при помощи 6-ти позиционного крана.
Оплата доставки здійснюється за рахунок покупця.
Оплата товару може здійснюватися різними методами за бажанням покупця:
Компанія ТОВ «ВОТЕР ІНЖИНІРІНГ» здійснює гарантійне та післягарантійне обслуговування обладнання для басейнів, ставків, аквапарків, опалювального обладнання.
Для виконання гарантійного ремонту та обслуговування повинні бути дотримані такі умови:
Для запуску процесу гарантійного обслуговування необхідно виконати такі дії:
Для більш детальної інформації пройдіть за посиланням.