Емкостный водонагреватель Protherm B100Z навесного типа монтажа, предназначен для приготовления горячей воды для бытового применения, используется в паре с любыми отопительными аппаратами. В комплекте с бойлерами поставляются все необходимые комплектующие для быстрого и несложного подсоединения к отопительным котлам для управления функцией нагрева воды.
Остановив свой выбор на бойлере косвенного нагрева Protherm B100Z, необходимо со всей необходимой серьезностью отнестись к выбору места для установки, приняв к сведению вес и габаритные размеры бака.
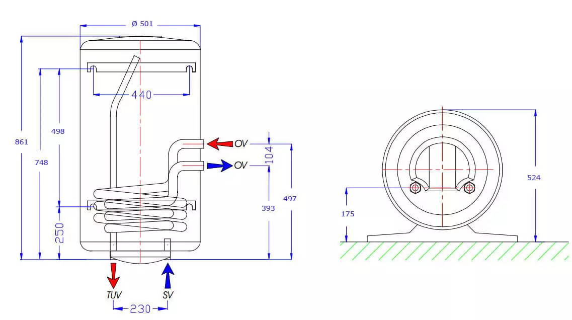
Для контроля и регулирования температуры воды водонагреватели косвенного нагрева Protherm B100Z оснащены специальным термостатом. Температура горячей воды в бойлере, отображается на лицевой панели аппарата. Номинальный объем данного водонагревателя составляет 100 л. Спираль нагрева и сам резервуар изнутри со специальным эмалированным покрытием, для защиты их от коррозии.

OV - вода для отопления
TUV - горячая вода ГВС
SV - холодная вода

Оплата доставки здійснюється за рахунок покупця.
Оплата товару може здійснюватися різними методами за бажанням покупця:
Компанія ТОВ «ВОТЕР ІНЖИНІРІНГ» здійснює гарантійне та післягарантійне обслуговування обладнання для басейнів, ставків, аквапарків, опалювального обладнання.
Для виконання гарантійного ремонту та обслуговування повинні бути дотримані такі умови:
Для запуску процесу гарантійного обслуговування необхідно виконати такі дії:
Для більш детальної інформації пройдіть за посиланням.