Манжет фланца ПВХ Ø 40 мм Coraplax применяется в качестве уплотнительного элемента для фланцев. Кольцо фланца можно приобретать как отдельным элемент без покупки самого фланца.
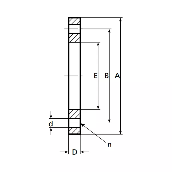
Габаритные размеры манжета фланца ПВХ Ø 40 мм Coraplax:

| Размер DN: 32; | Размер A: 140 мм; | Размер B: 100 мм; | Размер D: 15 мм; | Размер E: 51 мм; | Размер n: 4 мм; | Размер d: 17 мм; | Вес: 0,197 кг |
Фланцевое соединение ПВХ Ø 40 мм в сборе Coraplax

Купить манжет фланца ПВХ Ø 40 мм Coraplax вы может в нашем интернет магазине, с доставкой по всей Украине.
Оплата доставки здійснюється за рахунок покупця.
Оплата товару може здійснюватися різними методами за бажанням покупця:
Компанія ТОВ «ВОТЕР ІНЖИНІРІНГ» здійснює гарантійне та післягарантійне обслуговування обладнання для басейнів, ставків, аквапарків, опалювального обладнання.
Для виконання гарантійного ремонту та обслуговування повинні бути дотримані такі умови:
Для запуску процесу гарантійного обслуговування необхідно виконати такі дії:
Для більш детальної інформації пройдіть за посиланням.