Манжет фланца ПВХ Ø 110 мм Coraplax применяется в качестве уплотнительного элемента для фланцев. Кольцо фланца можно приобретать как отдельным элемент без покупки самого фланца.
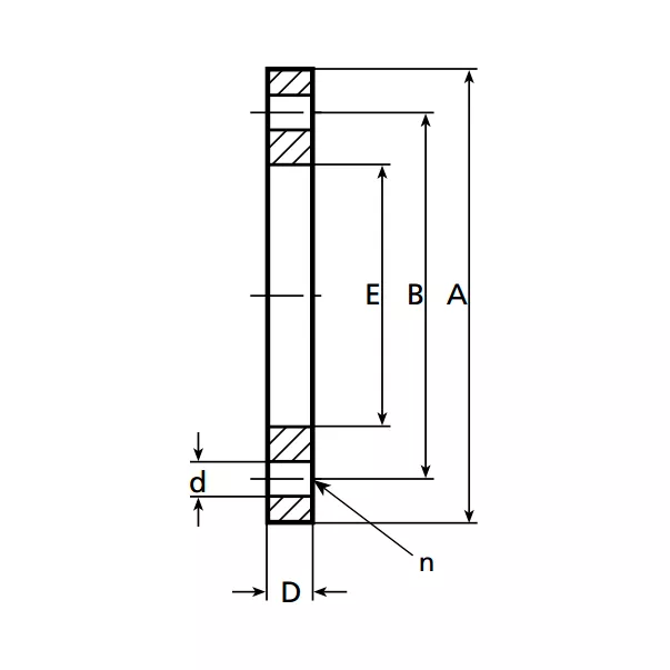
Габаритные размеры манжета фланца ПВХ Ø 110 мм Coraplax:

| Размер DN: 100; | Размер A: 220 мм; | Размер B: 180 мм; | Размер D: 22 мм; | Размер E: 131 мм; | Размер n: 8 мм; | Размер d: 17 мм; | Вес: 0,548 кг |
Купить манжет фланца ПВХ Ø 110 мм Coraplax вы может в нашем интернет магазине, с доставкой по всей Украине.
Оплата доставки здійснюється за рахунок покупця.
Оплата товару може здійснюватися різними методами за бажанням покупця:
Компанія ТОВ «ВОТЕР ІНЖИНІРІНГ» здійснює гарантійне та післягарантійне обслуговування обладнання для басейнів, ставків, аквапарків, опалювального обладнання.
Для виконання гарантійного ремонту та обслуговування повинні бути дотримані такі умови:
Для запуску процесу гарантійного обслуговування необхідно виконати такі дії:
Для більш детальної інформації пройдіть за посиланням.