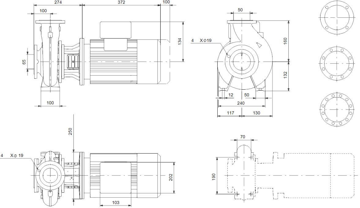
Grundfos NB 50-125/135 AF2ABQQE насос для бассейна - водопада – фонтана это полупогружной одноступенчатый, консольно-моноблочный, тип всасывания жидкости – односторонний, подходит для водных аттракционов. Такой тип насоса разработан для применения на объектах требующих исключительно надёжной и экономной подачи.
Тип монтажа насоса – вертикальный (в баках, резервуарах и других емкостях).
Так как успех любого вида водного аттракциона напрямую зависит от потока воды, необходимо с полной ответственностью подходить к выбору оборудования для циркуляции воды в бассейнах, будь то аттракционы либо фонтаны. Соответственно материалы из которых изготовлен насос и страна производства должны выносится на первое место при подборе оборудования.
Страна происхождения бренда – Дания.
Для изготовления корпуса применяется сплав EN-GJL-250 ASTM класс 35. Кольцо износа - из высоколегированной латуни, рабочее колесо делается из плавления EN-GJL-200 ASTM класс 30.
Главное преимущество насосов в полном отсутствии риска протечек, за счет наличия уплотнительного кольца между корпусом насоса и крышкой. Полупогружной насос имеет радиальное выпускное отверстие, осевой всасывающий канал, горизонтальный вал и задний выдвижной дизайн, позволяющий удаление двигателя, мотора стула, крышки и рабочего колеса, не нарушая целостности корпуса насоса или трубопроводов.
Высокоскоростной надежный прочный насос от торговой марки Grundfos прослужит более длительный срок эксплуатации в сравнении с аналогами, так как изготовлен из самых лучших по прочности и износостойкости материалов.
Серия насосов Grundfos NB – говорит о многофункциональности данного оборудования. Насос серии NB подходит для эксплуатации в различных условиях, когда требуется особо надежная и энергоэффективная работа.

BQQE - код для уплотнения вала - одинарное механическое уплотнение вала.
Системы водоснабжения;
Фонтаны, водные аттракционы;
Пожаротушение;
Централизованное охлаждение;
Вентиляция, отопление;
Распределение воды
Очистки сточных вод
Для перекачки тех. жидкостей на производстве;
На производственных системах повышения давления;
Оросительные системы.
Купить моноблочный насос для бассейна - водопада - фонтана Grundfos NB 50-125/135 AF2ABQQE а так же любое оборудование для бассейнов, фонтанов, и прочих водных аттракционов можно в нашем интернет-магазине с доставкой и монтажом по выгодным ценам!
Оплата доставки здійснюється за рахунок покупця.
Оплата товару може здійснюватися різними методами за бажанням покупця:
Компанія ТОВ «ВОТЕР ІНЖИНІРІНГ» здійснює гарантійне та післягарантійне обслуговування обладнання для басейнів, ставків, аквапарків, опалювального обладнання.
Для виконання гарантійного ремонту та обслуговування повинні бути дотримані такі умови:
Для запуску процесу гарантійного обслуговування необхідно виконати такі дії:
Для більш детальної інформації пройдіть за посиланням.