
Комплект кріплення складається з ущільнювачів і фланців для монтажу в бетон. Товщина стіни басейну трохи більше 240 мм.
Забезпечений фланцем для кріплення до стіни басейну.
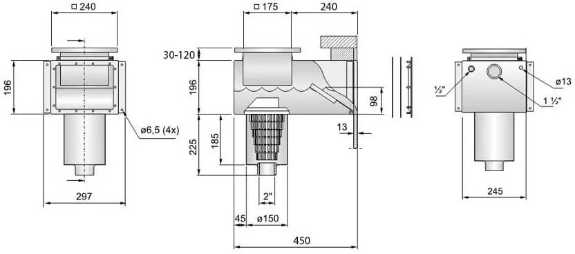
Зазвичай скімер встановлюється біля торцевої стінки басейну, а вхідний патрубок у протилежної. Перед заливкою стіни необхідно ізолювати фланець і отвір скімера, щоб запобігти попаданню в них бетону. Трубопроводи приєднуються з використанням відповідних ущільнюючих матеріалів для різьбового з'єднання. Скімер монтується в опалубці за допомогою виступаючих пластин на фланці. Ущільнювальний фланець скімера повинен розташовуватися в центрі опалубки, а поверхня води повинна бути точно на середину отвору. Стіна повинна мати фаску під 45° по відношенню до площини скімера. Виступаюча частина основи дна басейну повинна бути по всьому периметру ретельно підігнана до стінок і скріплена з ними спеціальною скріпною стрічкою, що додається.
Оплата доставки здійснюється за рахунок покупця.
Оплата товару може здійснюватися різними методами за бажанням покупця:
Компанія ТОВ «ВОТЕР ІНЖИНІРІНГ» здійснює гарантійне та післягарантійне обслуговування обладнання для басейнів, ставків, аквапарків, опалювального обладнання.
Для виконання гарантійного ремонту та обслуговування повинні бути дотримані такі умови:
Для запуску процесу гарантійного обслуговування необхідно виконати такі дії:
Для більш детальної інформації пройдіть за посиланням.