Сепаратор жирів FAT 4 - це просте і дуже надійний пристрій для очищення води, емульсій та стоків від жирів. Може застосовуватися як в побутових умовах, так і на виробництві, в ресторані, кафе, їдальні. Сепаратор українського виробництва, відрізняється наявністю камери відстійника, що істотно підвищує якість очищення стоків.
Сепаратор жирів (Польща) FAT 4 це найоптимальніший жироуловитель для будь-яких об'єктів. Виготовлений жироуловитель з якісного поліетилену, завдяки чому термін служби складає до 50 років! Монтується сепаратор згідно з інструкцією.
Очищення стоків від жирів за допомогою сепаратора вкрай необхідно, адже саме жири стають основою і головною складовою закупорок каналізаційних труб. Також продукти розпаду жирів вкрай токсичні, шкідливі як для природи, так і для людини.
Також згідно з державними будівельними нормами обов'язковим є монтаж сепаратора жирів в будь-якому закладі громадського харчування, ресторані, кафе.


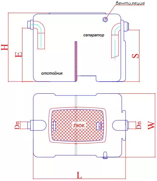
Сепараційний камера
Остройнік
вентиляція
система візуальної та звукової сигналізації
надставка
чавунні люки, що витримують до 15т
Купити сепаратор жирів для кафе, ресторану, виробництва завжди можна в нашому інтернет магазині Вотерстор за найнижчою ціною. Доставка жироуловителей по Києву і Україні.
Оплата доставки здійснюється за рахунок покупця.
Оплата товару може здійснюватися різними методами за бажанням покупця:
Компанія ТОВ «ВОТЕР ІНЖИНІРІНГ» здійснює гарантійне та післягарантійне обслуговування обладнання для басейнів, ставків, аквапарків, опалювального обладнання.
Для виконання гарантійного ремонту та обслуговування повинні бути дотримані такі умови:
Для запуску процесу гарантійного обслуговування необхідно виконати такі дії:
Для більш детальної інформації пройдіть за посиланням.