Wilo MultiPress HMP 304 EM - прекрасна розробка, насосна станція з відцентровим насосом від всесвітньо відомого німецького виробника насосного обладнання Wilo.
Дана серія насосних станцій відрізняється високим класом електрозахисту, підвищеною потужністю і найвищим ККД серед усіх насосів Wilo. Дана модель має середні параметри продуктивності для серії насосів. Насосна станція Wilo MultiPress 304 повністю укомплектована і готова до використання.
Станція зібрана і готова до підключення та роботи, досить включити в мережу електроживлення шнур і приєднати вихідний шланг з нарізним сполученням.
Насосна станція Wilo MultiPress HMP 304 EM 50L для водопостачання підійде як для установки у вологому приямку, так і для частого перенесення, установки в саду, в будинку. Насос Wilo MultiPress HMP 304 EM відрізняється дуже тихою роботою, в тому числі і стартом, завдяки чому насосну станцію можна монтувати в підвалі котеджу.
Насос Wilo MultiPress HMP 304 стійкий до корозії і надійний, може перекачувати як дощову воду, так і воду з підвищеним кількістю заліза, азоту, сірководню, фосфору, що дуже характерно для українських підземних вод і систем водопостачання в сільській місцевості.

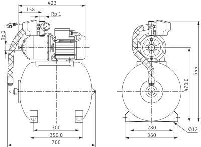
Продуктивність 5 м 3 / год
Висота подачі, макс. 45 м
Електромережа 220В / 50Гц
Висота всмоктування, макс. 8 м
Тиск включення 1,5 бар
Вхідний тиск, макс. 6 бар
Можливість настройки тиску при виключенні
Температура рідини від + 5 ° C .. + 35 ° C
Робочий тиск, макс. 10 бар
Клас захисту насоса - IP 54
Підключення з напірної сторони Rp1
Підключення на стороні всмоктування R1
Максимальна температура зовнішнього середовища 40С
Номінальна частота обертання 2900 об / хв
Вага 25.8 кг

самовсмоктувальний одноступінчатий струменевий насос Wilo MultiPress HMP 303 з наскрізним насосним валом мотора і не залежних від напрямку обертання ковзаюче торцеве ущільнення.
Однофазний або трифазний мотор з вбудованим термічним захисним вимикачем, який захистить насосну станцію від перегріву.
Система управління насосом з керуючим агрегатом
Мембранний напірний бак об'ємом 50л
манометрична вимикач і манометр з діапазоном до 6 бар
Термічна реле

Насос прекрасно підходить для використання на садових ділянках і під відкритим небом. Корпус і всі агрегати виконані з високоякісної нержавіючої сталі, завдяки чому насосну станцію Wilo MultiPress HMP 304 EM 50л можна активно використовувати у вологих приямках та інших помірно агресивних середовищах.
Напірний бак мембранного типу і обсягом 50 л уменьшаяет частоту включення і запобігає гідроудари. Насосна станція встановлюється дуже просто, вест процес займе у вас не більше 1-2 хвилин. Корпус і робоче колесо насоса виготовлені з нержавіючої сталі 1.4301, торцеве ущільнення керамічне, вал виготовлений з нержавіючої сталі 1,4005.
Wilo - це всесвітній флагман насосного обладнання, компанія займає 60% ринку. Wilo постійно проводить найновіші розробки в області насосного обладнання та ефективності. Купуючи насосну станцію Wilo MultiPress HMP 304 EM Вам гарантовано найвищу якість з можливого, довга і надійна робота, висока якість сервісу.
Оплата доставки здійснюється за рахунок покупця.
Оплата товару може здійснюватися різними методами за бажанням покупця:
Компанія ТОВ «ВОТЕР ІНЖИНІРІНГ» здійснює гарантійне та післягарантійне обслуговування обладнання для басейнів, ставків, аквапарків, опалювального обладнання.
Для виконання гарантійного ремонту та обслуговування повинні бути дотримані такі умови:
Для запуску процесу гарантійного обслуговування необхідно виконати такі дії:
Для більш детальної інформації пройдіть за посиланням.