Grundfos NB 65-160/157 ASF2ABQQE насос для басейну - водоспаду - фонтану це напівзанурювальний одноступінчастий, консольно-моноблочний, тип всмоктування рідини - односторонній, підходить для водних атракціонів. Такий тип насоса розроблений для застосування на об'єктах, які потребують виключно надійної та економної подачі.
Тип монтажу насоса – вертикальний (у баках, резервуарах та інших ємностях).
Оскільки успіх будь-якого виду водного атракціону безпосередньо залежить від потоку води, необхідно з повною відповідальністю підходити до вибору обладнання для циркуляції води в басейнах, чи то атракціони чи фонтани. Відповідно матеріали з яких виготовлений насос та країна виробництва мають виносити на перше місце при підборі обладнання.
Країна походження бренду – Данія.
Для виготовлення корпусу застосовується сплав EN-GJL-250 ASTM клас 35. Кільце зносу - з високолегованої латуні, робоче колесо виготовляється з плавлення EN-GJL-200 ASTM клас 30.
Головна перевага насосів у повній відсутності ризику протікання, за рахунок наявності кільця ущільнювача між корпусом насоса і кришкою. Напівзавантажувальний насос має радіальний випускний отвір, осьовий всмоктувальний канал, горизонтальний вал і задній висувний дизайн, що дозволяє видалення двигуна, мотора стільця, кришки та робочого колеса, не порушуючи цілісності корпусу насоса або трубопроводів.
Номінальна витрата: 103,4 м³/год.
Номінальний натиск: 27,13 м.
Високошвидкісний надійний міцний насос від торгової марки Grundfos прослужить більш тривалий термін експлуатації порівняно з аналогами, оскільки виготовлений із найкращих за міцністю та зносостійкістю матеріалів.
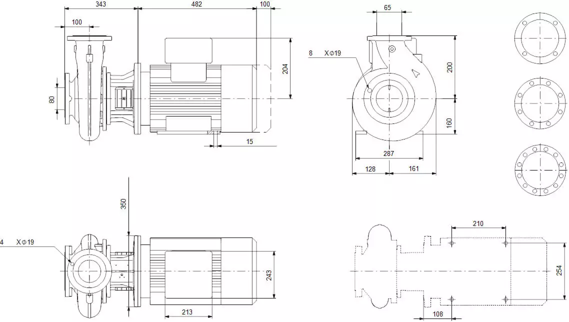
Розмір напірного патрубка: DN 65.
Макс. робочий тиск: 16 бар.
Серія насосів Grundfos NB – говорить про функціональність даного обладнання. Насос серії NB підходить для експлуатації в різних умовах, коли потрібна особливо надійна та енергоефективна робота.
Максимально допустима температура рідини: 60 °C.

BQQE - код для ущільнення валу - одинарне механічне ущільнення валу.
Системи водопостачання;
Фонтани, водні атракціони;
Пожежногасіння;
Централізоване охолодження;
Вентиляція, опалення;
Розподіл води
Очищення стічних вод
Для перекачування тех. рідин на виробництві;
На виробничих системах підвищення тиску;
Зрошувальні системи.
Купити моноблочний насос для басейну - водоспаду - фонтану Grundfos NB 65-160/157 AF2ABQQE, а також будь-яке обладнання для басейнів, фонтанів та інших водних атракціонів можна в нашому інтернет-магазині з доставкою та монтажем за вигідними цінами! /p>
Оплата доставки здійснюється за рахунок покупця.
Оплата товару може здійснюватися різними методами за бажанням покупця:
Компанія ТОВ «ВОТЕР ІНЖИНІРІНГ» здійснює гарантійне та післягарантійне обслуговування обладнання для басейнів, ставків, аквапарків, опалювального обладнання.
Для виконання гарантійного ремонту та обслуговування повинні бути дотримані такі умови:
Для запуску процесу гарантійного обслуговування необхідно виконати такі дії:
Для більш детальної інформації пройдіть за посиланням.