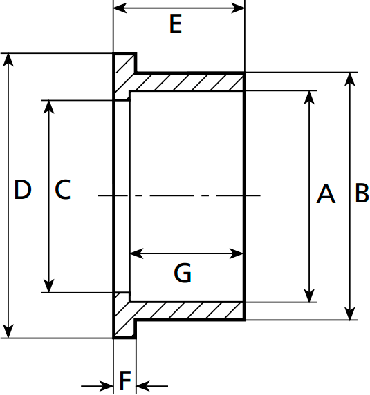
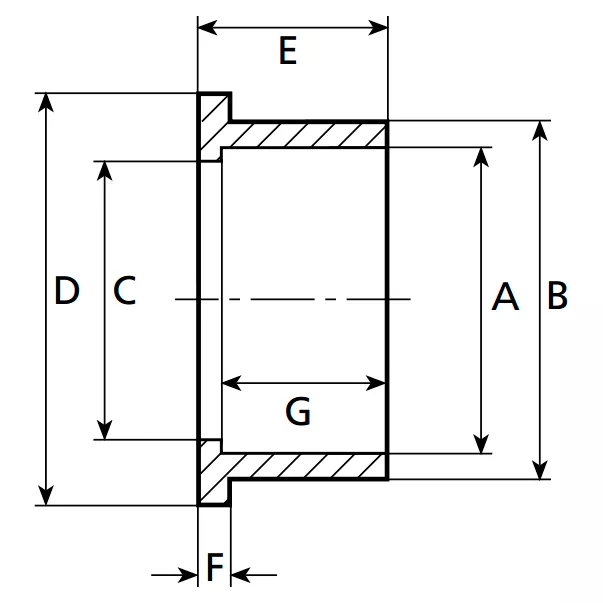
Фланцевий адаптер ПВХ Ø 500 мм Coraplax застосовується як клейовий адаптер для з'єднання труб ПВХ з фланцем. Фланцевий адаптер можна придбати як окремий елемент без покупки самого фланця.
Габаритні розміри фланцевого адаптера ПВХ Ø 500 мм Coraplax:

| Розмір DN: 500; | Розмір A: 532 мм; | Розмір B: 500 мм; | Розмір С: 480 мм; | Розмір D: 574 мм; | Розмір E: 161 мм; | Розмір F: 31 мм; | Розмір G: 153 мм; | Вага: 7,400 кг |
Купити фланцевий адаптер ПВХ Ø 500 мм Coraplax ви можете в нашому інтернет-магазині, з доставкою по всій Україні.
Оплата доставки здійснюється за рахунок покупця.
Оплата товару може здійснюватися різними методами за бажанням покупця:
Компанія ТОВ «ВОТЕР ІНЖИНІРІНГ» здійснює гарантійне та післягарантійне обслуговування обладнання для басейнів, ставків, аквапарків, опалювального обладнання.
Для виконання гарантійного ремонту та обслуговування повинні бути дотримані такі умови:
Для запуску процесу гарантійного обслуговування необхідно виконати такі дії:
Для більш детальної інформації пройдіть за посиланням.