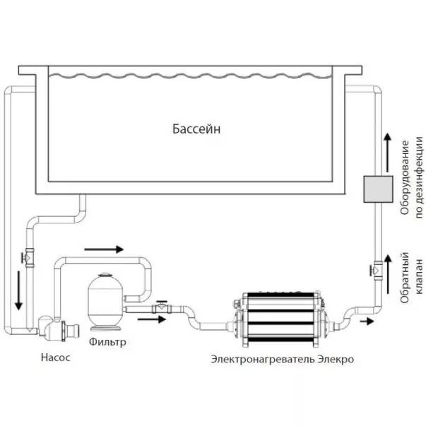
Професійна серія проточних нагрівачів для басейну від англійського виробника Elecro. Нагрівальний елемент та проточна частина пристрою виготовлені з Титану, модель може використовуватись для нагрівання прісної та солоної/морської води. Налаштування режимів роботи здійснюється за допомогою зручного дисплея у верхній частині корпусу. Вбудований таймер дозволить налаштувати зручний графік роботи для оптимізації витрат на електроенергію.
У всіх моделях Optima Plus Titan використовуються нагрівальні елементи із запатентованою спіралеподібною формою Vortex. Форма елемента визначає траєкторію руху води в проточній частині, що перешкоджає утворенню нальотів на поверхнях нагрівача.
Електричні тени підключені через здвоєні контактори Siemens 3RT202-1AP00 каскадного типу, зі збільшеними контактними майданчиками. Контактори цього типу відрізняються надійною роботою та відсутністю сторонніх шумів під час роботи. Всі ущільнення корпусу виготовлені із надійного високотемпературного полімеру.
Висока безпека експлуатації гарантована вбудованим датчиком контролю протоки та датчиком перегріву. При досягненні внутрішньої температури +65С спрацьовує аварійне відключення електроживлення. Повторний запуск можливий лише після натискання кнопки скидання на корпусі. Конструкція дозволяє як горизонтальний, так і вертикальний монтаж у технічному приміщенні.


Оплата доставки здійснюється за рахунок покупця.
Оплата товару може здійснюватися різними методами за бажанням покупця:
Компанія ТОВ «ВОТЕР ІНЖИНІРІНГ» здійснює гарантійне та післягарантійне обслуговування обладнання для басейнів, ставків, аквапарків, опалювального обладнання.
Для виконання гарантійного ремонту та обслуговування повинні бути дотримані такі умови:
Для запуску процесу гарантійного обслуговування необхідно виконати такі дії:
Для більш детальної інформації пройдіть за посиланням.