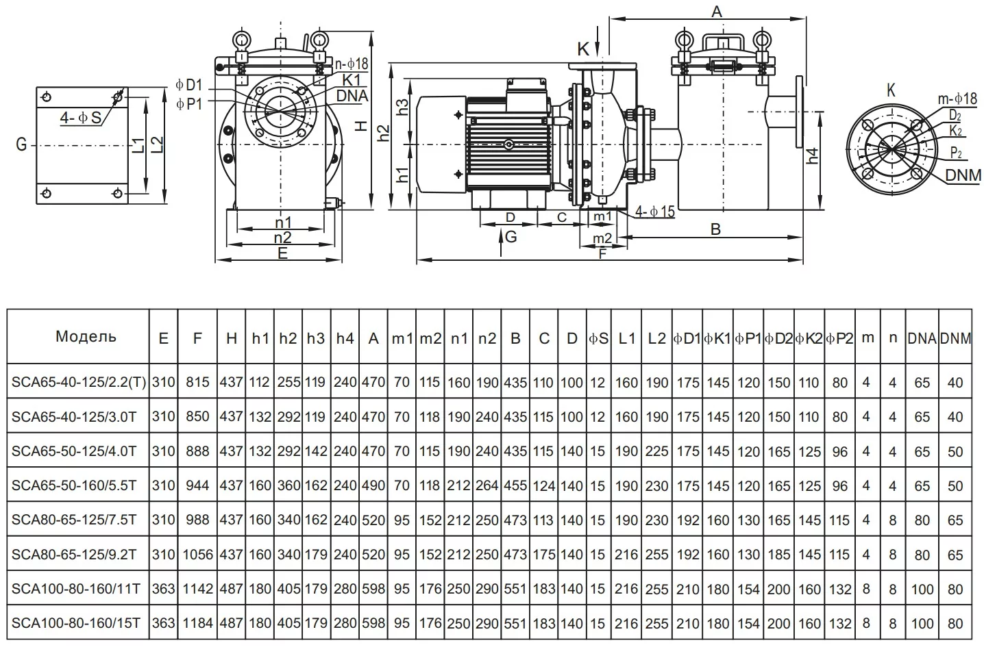
Центробіжний насос із префільтром для циркуляції води в системі фільтрації громадських басейнів та штучних водоймом об'ємом до 632 м3. Гідроблок та префільтр даної моделі виготовлений з нержавіючої сталі марки AISI 304, надійного матеріалу стійкого до корозії та агресивного середовища.
Обмотка електродвигуна виконана проводкою зі 100% міді з термозахистом. Така конструкція гарантує максимальну надійність та довговічність експлуатації насоса навіть при постійних високих навантаженнях. Більшість представлених на ринку конкурентів виготовляє обмотку двигуна алюмінієвою проводкою, що є менш надійним. Мідна обмотка нагрівається значно повільніше, ніж алюмінієва, при цьому швидше віддає тепло і охолоджується, стійка до деформацій і не втрачає хімічних властивостей після довгих циклів експлуатації.
Відмінною рисою моделей насосів LX SCA є можливість роботи з гарячою водою (температура до 100С).Насос заборонено використовувати для водойм із солоною або морською водою.


Оплата доставки здійснюється за рахунок покупця.
Оплата товару може здійснюватися різними методами за бажанням покупця:
Компанія ТОВ «ВОТЕР ІНЖИНІРІНГ» здійснює гарантійне та післягарантійне обслуговування обладнання для басейнів, ставків, аквапарків, опалювального обладнання.
Для виконання гарантійного ремонту та обслуговування повинні бути дотримані такі умови:
Для запуску процесу гарантійного обслуговування необхідно виконати такі дії:
Для більш детальної інформації пройдіть за посиланням.