Заглушка різбовазовнішня різьба 4", один з різновидів фітингів, застосовується для закриття кінцевих отворів у трубопроводах. Матеріал заглушки ПВХ (полівінілхлорид).
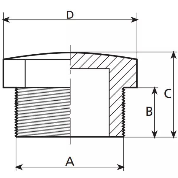
Габаритні розміри різбової заглушки Coraplax (нар. різьблення 4"):

| Розмір A: 4" | Розмір B: 38 мм | Розмір C: 68 мм | Розмір D: 130 мм | Вага: 0,643 кг |
Купити заглушку ПВХ різбову різьбу 4" ви можете в нашому інтернет магазині, з доставкою по всій Україні.
Оплата доставки здійснюється за рахунок покупця.
Оплата товару може здійснюватися різними методами за бажанням покупця:
Компанія ТОВ «ВОТЕР ІНЖИНІРІНГ» здійснює гарантійне та післягарантійне обслуговування обладнання для басейнів, ставків, аквапарків, опалювального обладнання.
Для виконання гарантійного ремонту та обслуговування повинні бути дотримані такі умови:
Для запуску процесу гарантійного обслуговування необхідно виконати такі дії:
Для більш детальної інформації пройдіть за посиланням.