Заглушка резбоваянаружная різьблення 2 1/2", одна з різновидів фітингів, застосовується для закриття кінцевих отворів в трубопроводах. Матеріал заглушки ПВХ (полівінілхлорид).
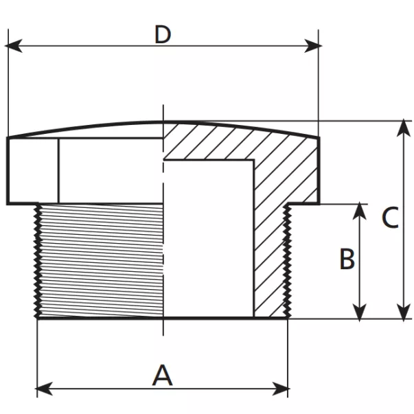
Габаритні розміри різьбовим заглушки Coraplax (нар. Різьба 2 1/2 "):

Розмір A: 2 1/2"
Розмір B: 30 мм
Розмір C: 50 мм
Розмір D: 85 мм
Вага: 0,205 кг
Купити заглушку ПВХ різьбову з зовнішньою різьбою 2 1/2 "ви можете в нашому інтернет-магазині, з доставкою по всій Україні.
Оплата доставки здійснюється за рахунок покупця.
Оплата товару може здійснюватися різними методами за бажанням покупця:
Компанія ТОВ «ВОТЕР ІНЖИНІРІНГ» здійснює гарантійне та післягарантійне обслуговування обладнання для басейнів, ставків, аквапарків, опалювального обладнання.
Для виконання гарантійного ремонту та обслуговування повинні бути дотримані такі умови:
Для запуску процесу гарантійного обслуговування необхідно виконати такі дії:
Для більш детальної інформації пройдіть за посиланням.