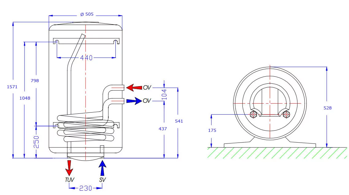
Ємнісний водонагрівач непрямого нагріву призначений для монтажу на стіну, що дозволяє компактно розмістити бойлер і котел в одному приміщенні. Даний апарат здатний готувати гарячу воду з максимальним робочим тиском ємнісного накопичувача - 6,3 бар, за умови підключення до котла. Максимальна температура нагріву води - 90 градусів. Водонагрівач передбачений для установки в комбінації з підлоговими котлами серії Ведмідь і Грізлі.

OV - вода для опалення
TUV - гаряча вода ГВП
SV - холодна вода

Оплата доставки здійснюється за рахунок покупця.
Оплата товару може здійснюватися різними методами за бажанням покупця:
Компанія ТОВ «ВОТЕР ІНЖИНІРІНГ» здійснює гарантійне та післягарантійне обслуговування обладнання для басейнів, ставків, аквапарків, опалювального обладнання.
Для виконання гарантійного ремонту та обслуговування повинні бути дотримані такі умови:
Для запуску процесу гарантійного обслуговування необхідно виконати такі дії:
Для більш детальної інформації пройдіть за посиланням.