Водонагреватель серії MAGpro оснащений датчиком перекидання тяги. Основним нагрівальним елементом даної установки є теплообмінник. Матеріал виготовлення даного елемента - мідь, зі спеціальним захисним покриттям SUPRAL. Проточний водонагрівач серії MAGpro оснащений пальником, яка виготовлена з хромо-нікелевої сталі. Газова колонка оснащена пьезорозжігом.

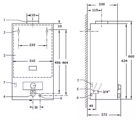
| 1. Підключення димоходу 2. Корпус 3. Монтажні отвори 4. Регулятор температури |
5. Підключення газопроводу 6. Вхід холодної води 7. Вхід гарячої води |
Оплата доставки здійснюється за рахунок покупця.
Оплата товару може здійснюватися різними методами за бажанням покупця:
Компанія ТОВ «ВОТЕР ІНЖИНІРІНГ» здійснює гарантійне та післягарантійне обслуговування обладнання для басейнів, ставків, аквапарків, опалювального обладнання.
Для виконання гарантійного ремонту та обслуговування повинні бути дотримані такі умови:
Для запуску процесу гарантійного обслуговування необхідно виконати такі дії:
Для більш детальної інформації пройдіть за посиланням.