Редукція ПВХ Ø 90х63 мм Coraplax, одна з різновидів фітингів, застосовується в трубопроводах обв'язки басейну. Муфта редукційна використовується в якості перехідника з більшого діаметра труби на менший, в даному випадку перехід з 90 на 63 мм.
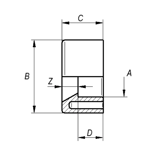
Габаритні розміри редукції ПВХ Ø 90х63 мм Coraplax:

Размер DN: 50;
Размер A: 63 мм;
Размер B: 90 мм;
Размер C: 51 мм;
Размер D: 38 мм;
Размер Z: 13 мм;
Вес: 0,171 кг
Оплата доставки здійснюється за рахунок покупця.
Оплата товару може здійснюватися різними методами за бажанням покупця:
Компанія ТОВ «ВОТЕР ІНЖИНІРІНГ» здійснює гарантійне та післягарантійне обслуговування обладнання для басейнів, ставків, аквапарків, опалювального обладнання.
Для виконання гарантійного ремонту та обслуговування повинні бути дотримані такі умови:
Для запуску процесу гарантійного обслуговування необхідно виконати такі дії:
Для більш детальної інформації пройдіть за посиланням.