Редукція ПВХ Ø 40х25 мм Coraplax, одна з різновидів фітингів, застосовується в трубопроводах обв'язки басейну. Муфта редукційна використовується в якості перехідника з більшого діаметра труби на менший, в даному випадку перехід з 40 на 25 мм.
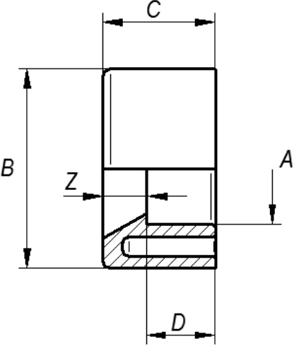
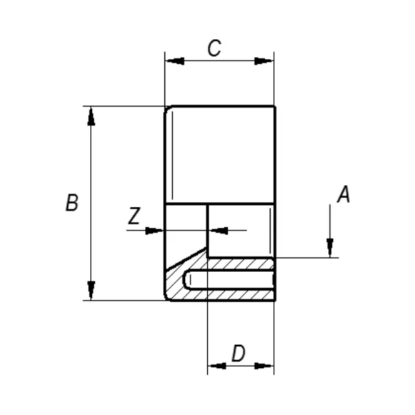
Габаритні розміри редукції ПВХ Ø 40х25 мм Coraplax:

Розмір DN: 20;
Розмір A: 25 мм;
Розмір B: 40 мм;
Розмір C: 26 мм;
Розмір D: 19 мм;
Розмір Z: 7 мм;
Вага: 0,022 кг
Оплата доставки здійснюється за рахунок покупця.
Оплата товару може здійснюватися різними методами за бажанням покупця:
Компанія ТОВ «ВОТЕР ІНЖИНІРІНГ» здійснює гарантійне та післягарантійне обслуговування обладнання для басейнів, ставків, аквапарків, опалювального обладнання.
Для виконання гарантійного ремонту та обслуговування повинні бути дотримані такі умови:
Для запуску процесу гарантійного обслуговування необхідно виконати такі дії:
Для більш детальної інформації пройдіть за посиланням.