Редукція довга ПВХ Ø 140-125х75 мм Coraplax, одна з різновидів фітингів, застосовується в трубопроводах обвязки басейну. Муфта редукційна використовується в якості перехідника з більшого діаметра труби на менший, в даному випадку перехід Ø 140-125х75 мм.
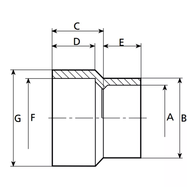
Габаритні розміри редукції довга ПВХ Ø 140-125х75 мм Coraplax:

| Розмір DN: 65; | Розмір B: 90 мм; | Розмір C: 111 мм; | Розмір D: 76 мм; | Розмір E: 44 мм; | Вага: 0,583 кг |
Купити редукцію довга ПВХ Ø 140-125х75 мм Coraplax ви можете в нашому інтернет магазині, з доставкою по всій Україні.
Оплата доставки здійснюється за рахунок покупця.
Оплата товару може здійснюватися різними методами за бажанням покупця:
Компанія ТОВ «ВОТЕР ІНЖИНІРІНГ» здійснює гарантійне та післягарантійне обслуговування обладнання для басейнів, ставків, аквапарків, опалювального обладнання.
Для виконання гарантійного ремонту та обслуговування повинні бути дотримані такі умови:
Для запуску процесу гарантійного обслуговування необхідно виконати такі дії:
Для більш детальної інформації пройдіть за посиланням.