Редукція довга ПВХ Ø 110-90х50 мм Coraplax, одна з різновидів фітингів, застосовується в трубопроводах об'вязкі басейну. Муфта редукційна використовується в якості перехідника з болешего діаметра труби на менший, в даному випадку перехід Ø 110-90х50 мм.
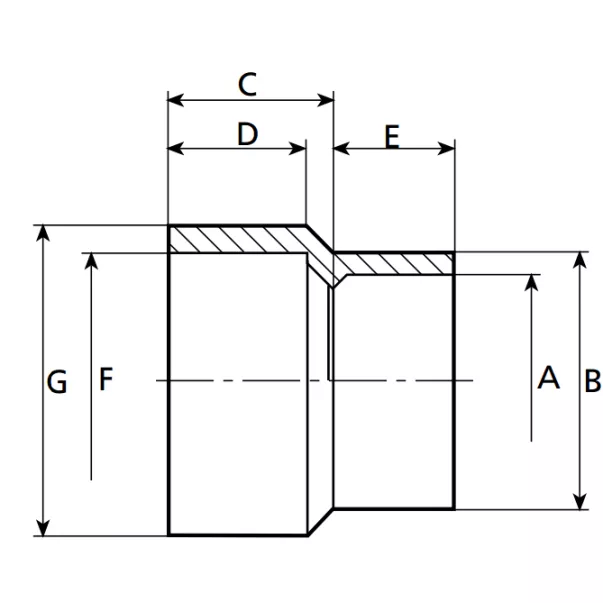
Габаритні розміри редукції довга ПВХ Ø 110-90х50 мм Coraplax:

| Розмір DN: 40; | Розмір B: 61 мм; | Розмір C: 88 мм; | Розмір D: 61 мм; | Розмір E: 31 мм; | Вага: 0,395 кг |
Купити редукцію довга ПВХ Ø 110-90х50 мм Coraplax ви можете в нашому інтернет магазині, з доставкою по всій Україні.
Оплата доставки здійснюється за рахунок покупця.
Оплата товару може здійснюватися різними методами за бажанням покупця:
Компанія ТОВ «ВОТЕР ІНЖИНІРІНГ» здійснює гарантійне та післягарантійне обслуговування обладнання для басейнів, ставків, аквапарків, опалювального обладнання.
Для виконання гарантійного ремонту та обслуговування повинні бути дотримані такі умови:
Для запуску процесу гарантійного обслуговування необхідно виконати такі дії:
Для більш детальної інформації пройдіть за посиланням.