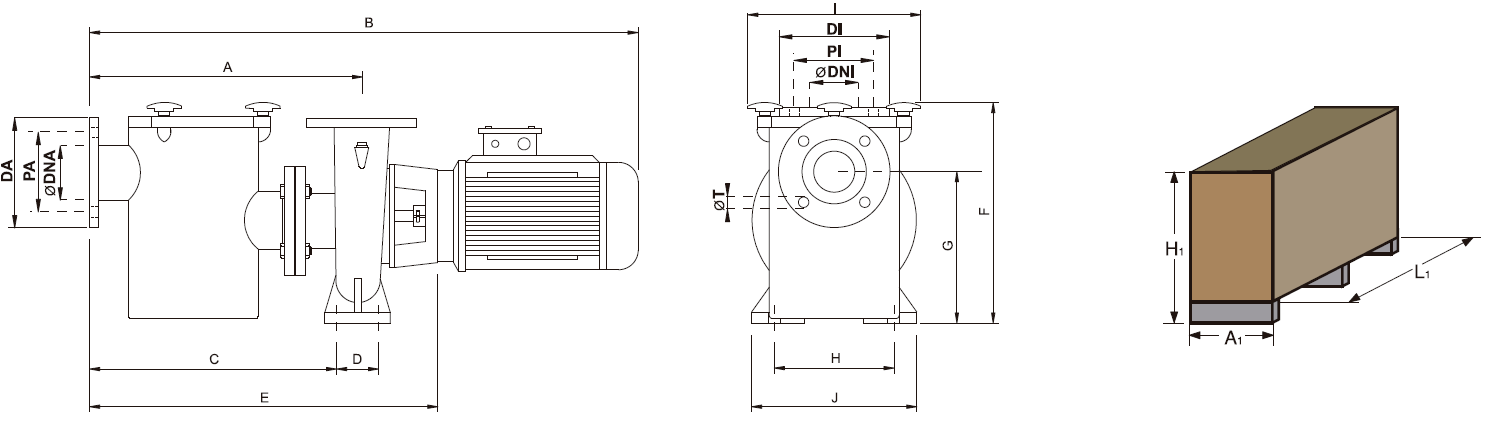
Насос із префільтром у корпусі з чавуну для циркуляції води в системі фільтрації громадських басейнів з постійним великим навантаженням . Професійна серія насосів відрізняється максимальною надійністю та продуктивністю. Корпус із чавуну дозволяє експлуатувати насос десятки років, у найважчих умовах та будь-яких високих навантаженнях.
Висока вага гідроблоку та моторного блоку роблять роботу насоса практично безшумною. Максимальний рівень шуму не перевищує 73 дБ. Вал виготовлений з нержавіючої сталі марки AISI-316, стійкої до корозії та агресивного середовища. Робоче колесо виготовлене із чавуну. За запитом модель може бути укомплектована робочим колесом із бронзи, для використання у водоймах із морською або солоною водою.
Насоси Saci HF4 розроблені для систем циркуляції з високим робочим тиском – до 4 атм.
Префільтр збільшеного розміру кріпиться до моторного блоку надійним фланцевим з'єднанням. Кошик грубого очищення виготовлений з нержавіючої сталі AISI-316. Кришка кошика чавунна, фіксується трьома гвинтами, з ручною насадкою. Для зняття кришки не потрібний інструмент.





Оплата доставки здійснюється за рахунок покупця.
Оплата товару може здійснюватися різними методами за бажанням покупця:
Компанія ТОВ «ВОТЕР ІНЖИНІРІНГ» здійснює гарантійне та післягарантійне обслуговування обладнання для басейнів, ставків, аквапарків, опалювального обладнання.
Для виконання гарантійного ремонту та обслуговування повинні бути дотримані такі умови:
Для запуску процесу гарантійного обслуговування необхідно виконати такі дії:
Для більш детальної інформації пройдіть за посиланням.