Муфта ПВХ клейова сполучна д.90 Coraplax, одна з різновидів фітингів, застосовується в трубопроводах об'вязкі басейну. Основним призначенням муфти є з'єднання труб ПВХ.
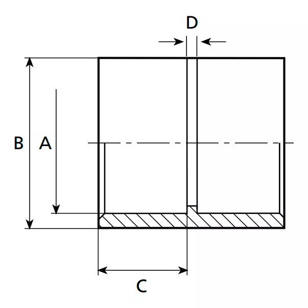
Габаритні розміри ПВХ муфти сполучна д.90 Coraplax:

| Розмір DN : 80 мм | Розмір A : 90 мм | Розмір B : 108 мм | Розмір C : 51 мм | Розмір D : 5 мм | Вага : 0,408 кг |
Купити муфту ПВХ клейову сполучну д.90 Coraplax ви можете в нашому інтернет магазині, з доставкою по всій Україні.
Оплата доставки здійснюється за рахунок покупця.
Оплата товару може здійснюватися різними методами за бажанням покупця:
Компанія ТОВ «ВОТЕР ІНЖИНІРІНГ» здійснює гарантійне та післягарантійне обслуговування обладнання для басейнів, ставків, аквапарків, опалювального обладнання.
Для виконання гарантійного ремонту та обслуговування повинні бути дотримані такі умови:
Для запуску процесу гарантійного обслуговування необхідно виконати такі дії:
Для більш детальної інформації пройдіть за посиланням.