Муфта ПВХ клейова сполучна д.16 Coraplax, одна з різновидів фітингів, застосовується в трубопроводах обв'язки басейну. Основним призначенням муфти є з'єднання труб ПВХ.

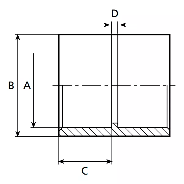
Розмір DN: 10 мм
Розмір A: 16 мм
Розмір B: 27 мм
Розмір C: 14 мм
Розмір D: 3 мм
Вага: 0,007 кг
Оплата доставки здійснюється за рахунок покупця.
Оплата товару може здійснюватися різними методами за бажанням покупця:
Компанія ТОВ «ВОТЕР ІНЖИНІРІНГ» здійснює гарантійне та післягарантійне обслуговування обладнання для басейнів, ставків, аквапарків, опалювального обладнання.
Для виконання гарантійного ремонту та обслуговування повинні бути дотримані такі умови:
Для запуску процесу гарантійного обслуговування необхідно виконати такі дії:
Для більш детальної інформації пройдіть за посиланням.