Муфта ПВХ клейова з внутрішнім різьбленням д.32х3 / 4" Coraplax, одна з різновидів фітингів, застосовується в трубопроводах об'вязкі басейну. Основним призначенням даної муфти є з'єднання труб ПВХ і переходу на внутрішнє різьблення.
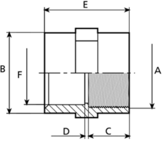
Габаритні розміри ПВХ муфти з внутрішнім різьбленням д.32х3 / 4 "Coraplax:

| Розмір DN : 20 мм | Розмір A : 3/4" | Розмір B : 41 мм | Розмір C : 22 мм | Розмір D : 3 мм | Розмір E : 47 мм | Розмір F : 32 мм | Вага : 0,064 кг |
Купити муфту ПВХ клейову з внутрішнім різьбленням д. 32х3 / 4 "Coraplax ви можете в нашому інтернет магазині, з доставкою по всій Україні.
Оплата доставки здійснюється за рахунок покупця.
Оплата товару може здійснюватися різними методами за бажанням покупця:
Компанія ТОВ «ВОТЕР ІНЖИНІРІНГ» здійснює гарантійне та післягарантійне обслуговування обладнання для басейнів, ставків, аквапарків, опалювального обладнання.
Для виконання гарантійного ремонту та обслуговування повинні бути дотримані такі умови:
Для запуску процесу гарантійного обслуговування необхідно виконати такі дії:
Для більш детальної інформації пройдіть за посиланням.