Муфта ПВХ клейова із зовнішнім різьбленням д.25-32х3 / 4" Coraplax, одна з різновидів фітингів, застосовується в трубопроводах обв'язки басейну. Основним призначенням даної муфти є з'єднання труб ПВХ і переходу на зовнішнє різьблення.
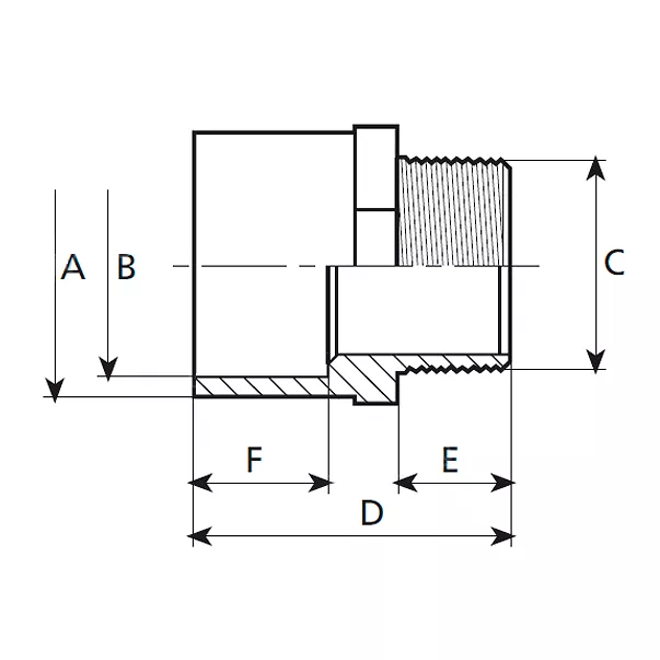
Габаритні розміри ПВХ муфти із зовнішнім різьбленням д.25-32х3 / 4 "Coraplax:

| Розмір DN : 20 мм | Розмір A : 25 мм | Розмір B : 32 мм | Розмір C : 3/4 " | Розмір D : 46 мм | Розмір E : 16 мм | Розмір F : 19 мм | Вага : 0,017 кг |
Купити муфту ПВХ клейову із зовнішнім різьбленням д.25-32х3 / 4 "Coraplax ви можете в нашому інтернет магазині, з доставкою по всій Україні.
Оплата доставки здійснюється за рахунок покупця.
Оплата товару може здійснюватися різними методами за бажанням покупця:
Компанія ТОВ «ВОТЕР ІНЖИНІРІНГ» здійснює гарантійне та післягарантійне обслуговування обладнання для басейнів, ставків, аквапарків, опалювального обладнання.
Для виконання гарантійного ремонту та обслуговування повинні бути дотримані такі умови:
Для запуску процесу гарантійного обслуговування необхідно виконати такі дії:
Для більш детальної інформації пройдіть за посиланням.