Фланцевий адаптер ПВХ Ø 25 мм Coraplax застосовується в якості клейового адаптера для з'єднання труб ПВХ з фланцем. Фланцеве адаптер можна купувати як окремим елемент без покупки самого фланця.
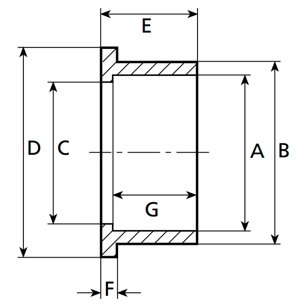
Габаритні розміри фланцевого адаптера ПВХ Ø 25 мм Coraplax:

| Розмір DN: 20; | Розмір A: 25 мм; | Розмір B: 33 мм; | Розмір С: 20 мм; | Розмір D: 41 мм; | Розмір E: 22 мм; | Розмір F: 7 мм; | Розмір G: 19 мм; | Вага: 0,015 кг |
Купити фланцевий адаптер ПВХ Ø 25 мм Coraplax ви може в нашому інтернет магазині, з доставкою по всій Україні.
Оплата доставки здійснюється за рахунок покупця.
Оплата товару може здійснюватися різними методами за бажанням покупця:
Компанія ТОВ «ВОТЕР ІНЖИНІРІНГ» здійснює гарантійне та післягарантійне обслуговування обладнання для басейнів, ставків, аквапарків, опалювального обладнання.
Для виконання гарантійного ремонту та обслуговування повинні бути дотримані такі умови:
Для запуску процесу гарантійного обслуговування необхідно виконати такі дії:
Для більш детальної інформації пройдіть за посиланням.