Манжет фланця ПВХ Ø 20 мм Coraplax застосовується в якості елементу ущільнювача для фланців. Кільце фланця можна купувати як окремим елемент без покупки самого фланця.
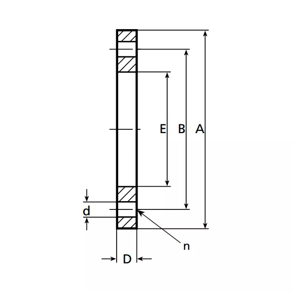
Габаритні розміри манжета фланця ПВХ Ø 20 мм Coraplax:

| Розмір DN: 15; | Розмір A: 95 мм; | Розмір B: 65 мм; | Розмір D: 12 мм; | Розмір E: 28 мм; | Розмір n: 4 мм; | Розмір d: 14 мм; | Вага: 0,070 кг |
Фланцеве з'єднання ПВХ Ø 20 мм в зборі Coraplax

Купити манжет фланця ПВХ Ø 20 мм Coraplax ви може в нашому інтернет магазині, з доставкою по всій Україні.
Оплата доставки здійснюється за рахунок покупця.
Оплата товару може здійснюватися різними методами за бажанням покупця:
Компанія ТОВ «ВОТЕР ІНЖИНІРІНГ» здійснює гарантійне та післягарантійне обслуговування обладнання для басейнів, ставків, аквапарків, опалювального обладнання.
Для виконання гарантійного ремонту та обслуговування повинні бути дотримані такі умови:
Для запуску процесу гарантійного обслуговування необхідно виконати такі дії:
Для більш детальної інформації пройдіть за посиланням.