Манжет фланця ПВХ Ø 90 мм Coraplax застосовується в якості елементу ущільнювача для фланців. Кільце фланця можна купувати як окремим елемент без покупки самого фланця.
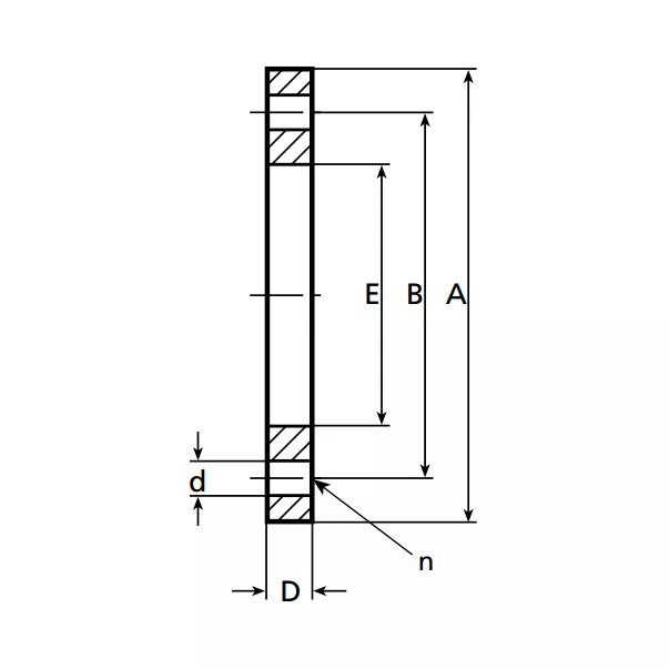
Габаритні розміри манжета фланця ПВХ Ø 90 мм Coraplax:

| Розмір DN: 80; | Розмір A: 200 мм; | Розмір B: 160 мм; | Розмір D: 20 мм; | Розмір E: 112 мм; | Розмір n: 8 мм; | Розмір d: 18 мм; | Вага: 0,450 кг |
Купити манжет фланця ПВХ Ø 90 мм Coraplax ви може в нашому інтернет магазині, з доставкою по всій Україні.
Оплата доставки здійснюється за рахунок покупця.
Оплата товару може здійснюватися різними методами за бажанням покупця:
Компанія ТОВ «ВОТЕР ІНЖИНІРІНГ» здійснює гарантійне та післягарантійне обслуговування обладнання для басейнів, ставків, аквапарків, опалювального обладнання.
Для виконання гарантійного ремонту та обслуговування повинні бути дотримані такі умови:
Для запуску процесу гарантійного обслуговування необхідно виконати такі дії:
Для більш детальної інформації пройдіть за посиланням.