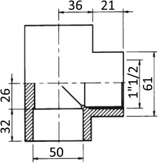
Трійник 90 ° різьбовим c металевим кільцем італійського виробника Еффаст характеризується високою хімічною стійкістю і гладкою поверхнею. Виготовлені фітинги із не полівінілхлориду - PVC-U , що робить їх придатними і безпечними для використання не тільки для обв'язки басейнів, але і для постачання питною водою та харчовими продуктами в промислових цілях. Також даний матеріал характеризується біологічною інертністю, не створюючи сприятливі умови для розмноження бактерій. Робоча температура від 0 ° C до + 60 ° C.
З'єднати трійник 90 ° різьбовим c металевим кільцем EFFAST можна за допомогою спеціального клею (хімічна, холодне зварювання).

Оплата доставки здійснюється за рахунок покупця.
Оплата товару може здійснюватися різними методами за бажанням покупця:
Компанія ТОВ «ВОТЕР ІНЖИНІРІНГ» здійснює гарантійне та післягарантійне обслуговування обладнання для басейнів, ставків, аквапарків, опалювального обладнання.
Для виконання гарантійного ремонту та обслуговування повинні бути дотримані такі умови:
Для запуску процесу гарантійного обслуговування необхідно виконати такі дії:
Для більш детальної інформації пройдіть за посиланням.