Манжет фланця ПВХ Ø 63 мм Coraplax застосовується в якості елементу ущільнювача для фланців. Кільце фланця можна купувати як окремим елемент без покупки самого фланця.
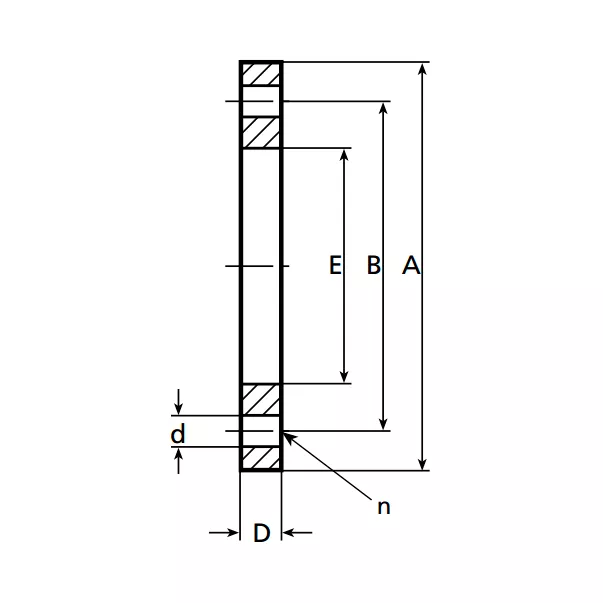
Габаритні розміри манжета фланця ПВХ Ø 63 мм Coraplax:

| Розмір DN: 50; | Розмір A: 165 мм; | Розмір B: 125 мм; | Розмір D: 19 мм; | Розмір E: 78 мм; | Розмір n: 4 мм; | Розмір d: 17 мм; | Вага: 0,315 кг |
Фланцеве з'єднання ПВХ Ø 63 мм в зборі Coraplax

Купити манжет фланця ПВХ Ø 63 мм Coraplax ви може в нашому інтернет магазині, з доставкою по всій Україні .
Оплата доставки здійснюється за рахунок покупця.
Оплата товару може здійснюватися різними методами за бажанням покупця:
Компанія ТОВ «ВОТЕР ІНЖИНІРІНГ» здійснює гарантійне та післягарантійне обслуговування обладнання для басейнів, ставків, аквапарків, опалювального обладнання.
Для виконання гарантійного ремонту та обслуговування повинні бути дотримані такі умови:
Для запуску процесу гарантійного обслуговування необхідно виконати такі дії:
Для більш детальної інформації пройдіть за посиланням.