Grundfos NB 100-200/195 AF2ABQQE насос для басейну - водоспаду - фонтана одноступінчастий, моноблочний, несамовсмоктуючий, відцентровий насос, з направляючою камерою спірального типу, для систем водопідготовки, виготовлений відповідно до ISO 5199. Його номінальна потужність відповідають EN 733 (10 бар). Країна-виробник – Данія.
Серія NB насосів Grundfos – говорить про функціональність даного обладнання. Насос серії NB підходить для експлуатації в різних умовах, коли потрібна особливо надійна та енергоефективна робота.
Системи водопостачання;
Фонтани, водні атракціони;
Вентиляція, опалення;
Для перекачування тех. рідин на виробництві;
На виробничих системах підвищення тиску;
Зрошувальні системи.
BQQE - код для ущільнення валу - одинарне механічне ущільнення валу.
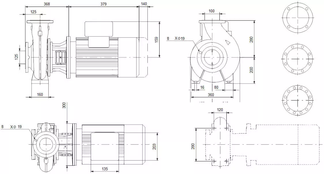
Фланці в насосах PN 16 з розмірами відповідно до EN 1092-2. Даний насос має осьовий канал, радіальний випускний отвір, горизонтальний вал і задній висувний дизайн, що дозволяє видалення двигуна, мотора стільця, кришки і робочого колеса, не порушуючи цілісності корпусу насоса або трубопроводів. Незбалансоване гумове ущільнення сильфона відповідає стандарту DIN EN 12756. Grundfos NB 100-200/195 AF2ABQQE моноблочний насос монтується з асинхронним двигуном з вентиляторним охолодженням.
Корпус насоса виготовлений із чавуну. Вал виготовлений з нержавіючої сталі, кільце зношування - латунь, робоче колесо - чавун.

Купити моноблочний насос для басейну - водоспаду - фонтану Grundfos NB 100-200/195 AF2ABQQE а також будь-яке обладнання для басейнів, фонтанів та інших водних атракціонів можна в нашому інтернет-магазині з доставкою та монтажем за вигідними цінами!
Оплата доставки здійснюється за рахунок покупця.
Оплата товару може здійснюватися різними методами за бажанням покупця:
Компанія ТОВ «ВОТЕР ІНЖИНІРІНГ» здійснює гарантійне та післягарантійне обслуговування обладнання для басейнів, ставків, аквапарків, опалювального обладнання.
Для виконання гарантійного ремонту та обслуговування повинні бути дотримані такі умови:
Для запуску процесу гарантійного обслуговування необхідно виконати такі дії:
Для більш детальної інформації пройдіть за посиланням.