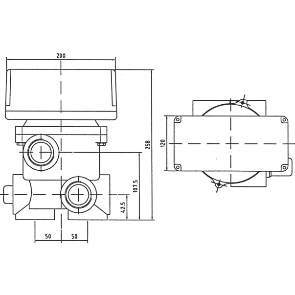
Автоматичний клапан із бічним підключенням використовується для промивання фільтруючого матеріалу в пісочних проточних фільтрах. Клапан переходить у режим зворотного промивання засипки сигналами датчика тиску у фільтраційній ємності.
У разі необхідності EasyTronic може бути переведений у ручний режим для роботи в будь-якому з режимів (промивання/злив/рециркуляція/закрита протока).
Клапан підходить практично до всіх моделей пісочних фільтрів з боковим типом підключення діаметром 2 дюйми. Пристрій може бути підключений до датчика рівня води та системи доливу, щоб зберігати необхідний рівень у чаші та переливної ємності після циклів промивання.
Моделі EasyTronic виготовляються на заводі Speck Pumpen у Німеччині, відповідають стандартам якості CE, EN та стандарту енергоефективної IE3.


Оплата доставки здійснюється за рахунок покупця.
Оплата товару може здійснюватися різними методами за бажанням покупця:
Компанія ТОВ «ВОТЕР ІНЖИНІРІНГ» здійснює гарантійне та післягарантійне обслуговування обладнання для басейнів, ставків, аквапарків, опалювального обладнання.
Для виконання гарантійного ремонту та обслуговування повинні бути дотримані такі умови:
Для запуску процесу гарантійного обслуговування необхідно виконати такі дії:
Для більш детальної інформації пройдіть за посиланням.