Заглушка різьбова внутрішня різьба 1", один з різновидів фітингів, застосовується для закриття кінцевих отворів в трубопроводах. Матеріал заглушки ПВХ (полівінілхлорид).
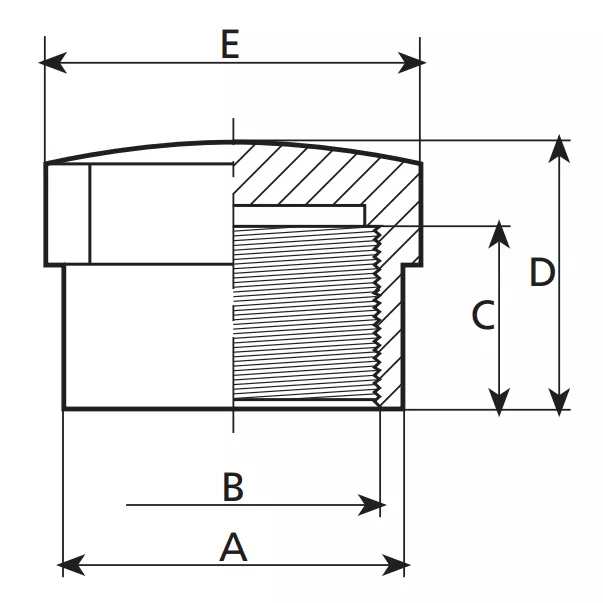
Габаритні розміри різьбовій заглушки Coraplax (внутр. Різьба 1 "):

| Розмір A : 41 мм | Розмір B : 1" | Розмір C : 22 мм | Розмір D : 31 мм | Розмір E : 41 мм | Вага : 0,026 кг |
Купити заглушку ПВХ різьбову внутрішнє різьблення 1 "ви можете в нашому інтернет магазині, з доставкою по всій Україні.
Оплата доставки здійснюється за рахунок покупця.
Оплата товару може здійснюватися різними методами за бажанням покупця:
Компанія ТОВ «ВОТЕР ІНЖИНІРІНГ» здійснює гарантійне та післягарантійне обслуговування обладнання для басейнів, ставків, аквапарків, опалювального обладнання.
Для виконання гарантійного ремонту та обслуговування повинні бути дотримані такі умови:
Для запуску процесу гарантійного обслуговування необхідно виконати такі дії:
Для більш детальної інформації пройдіть за посиланням.