Редукція довга ПВХ Ø 200-180х125 мм Coraplax, одна з різновидів фітингів, застосовується в трубопроводах об'вязкі басейну. Муфта редукційна використовується в якості перехідника з болешего діаметра труби на менший, в даному випадку перехід Ø 200-180х125 мм.
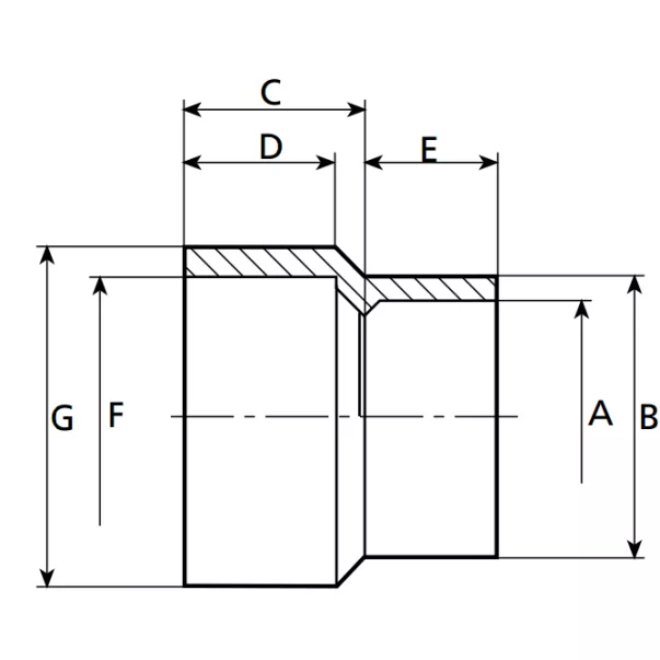
Габаритні розміри редукції довга ПВХ Ø 200-180х125 мм Coraplax:

| Розмір DN: 110; | Розмір B: 148 мм; | Розмір C: 154 мм; | Розмір D: 106 мм; | Розмір E: 69 мм; | Вага: 1,671 кг |
Купити редукцію довга ПВХ Ø 200-180х125 мм Coraplax ви можете в нашому інтернет магазині, з доставкою по всій Україні.
Оплата доставки здійснюється за рахунок покупця.
Оплата товару може здійснюватися різними методами за бажанням покупця:
Компанія ТОВ «ВОТЕР ІНЖИНІРІНГ» здійснює гарантійне та післягарантійне обслуговування обладнання для басейнів, ставків, аквапарків, опалювального обладнання.
Для виконання гарантійного ремонту та обслуговування повинні бути дотримані такі умови:
Для запуску процесу гарантійного обслуговування необхідно виконати такі дії:
Для більш детальної інформації пройдіть за посиланням.