Муфта ПВХ клейова з внутрішнім різьбленням д.32х1" Coraplax, одна з різновидів фітингів, застосовується в трубопроводах обв'язки басейну. Основним призначенням даної муфти є з'єднання труб ПВХ і переходу на внутрішнє різьблення.
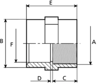
Габаритні розміри ПВХ муфти з внутрішнім різьбленням д.32х1 "Coraplax:

Розмір DN: 25 мм
Розмір A: 1"
Розмір B: 41 мм
Розмір C: 22 мм
Розмір D: 3 мм
Розмір E: 47 мм
Розмір F: 32 мм
Вага: 0,042 кг
Оплата доставки здійснюється за рахунок покупця.
Оплата товару може здійснюватися різними методами за бажанням покупця:
Компанія ТОВ «ВОТЕР ІНЖИНІРІНГ» здійснює гарантійне та післягарантійне обслуговування обладнання для басейнів, ставків, аквапарків, опалювального обладнання.
Для виконання гарантійного ремонту та обслуговування повинні бути дотримані такі умови:
Для запуску процесу гарантійного обслуговування необхідно виконати такі дії:
Для більш детальної інформації пройдіть за посиланням.