Муфта ПВХ клейова із зовнішнім різьбленням д.63-75х2 1/2" Coraplax, одна з різновидів фітингів, застосовується в трубопроводах обв'язки басейну. Основним призначенням даної муфти є з'єднання труб ПВХ і переходу на зовнішнє різьблення.
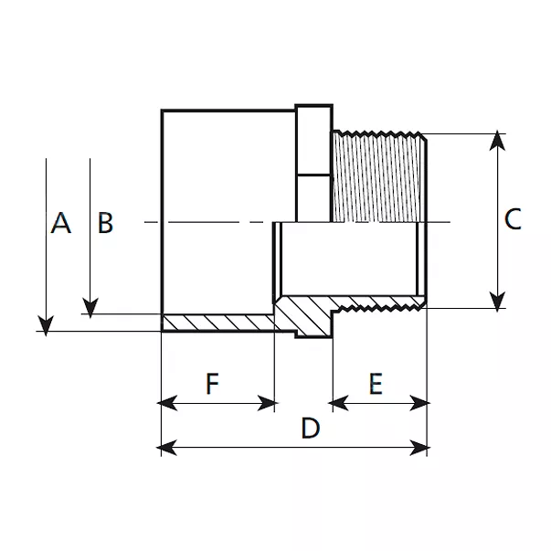
Габаритні розміри ПВХ муфти із зовнішнім різьбленням д.63-75х2 1/2 "Coraplax:

| Розмір DN : 50 мм | Розмір A : 63 мм | Розмір B : 75 мм | Розмір C : 2 1/2 " | Розмір D : 87,5 мм | Розмір E : 26 мм | Розмір F : 48 мм | Вага : 0,152 кг |
Купити муфту ПВХ клейову із зовнішнім різьбленням д.63-75х2 1/2 "Coraplax ви можете в нашому інтернет магазині, з доставкою по всій Україні.
Оплата доставки здійснюється за рахунок покупця.
Оплата товару може здійснюватися різними методами за бажанням покупця:
Компанія ТОВ «ВОТЕР ІНЖИНІРІНГ» здійснює гарантійне та післягарантійне обслуговування обладнання для басейнів, ставків, аквапарків, опалювального обладнання.
Для виконання гарантійного ремонту та обслуговування повинні бути дотримані такі умови:
Для запуску процесу гарантійного обслуговування необхідно виконати такі дії:
Для більш детальної інформації пройдіть за посиланням.