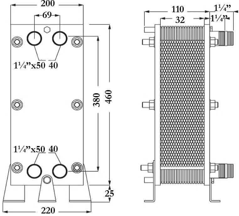
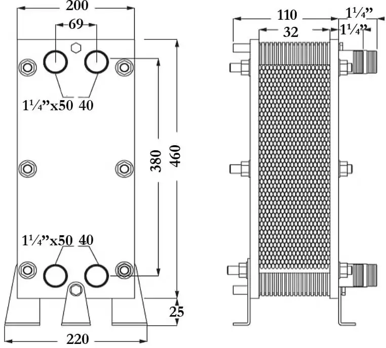
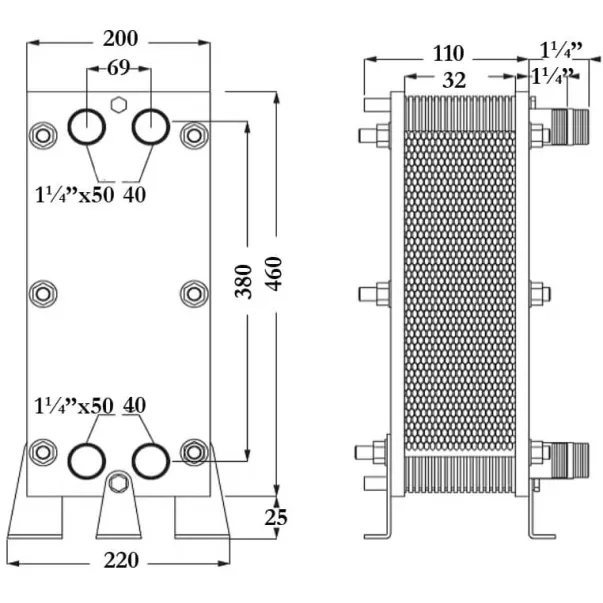
Пластинчастий теплообмінник для басейну для системи нагрівання води та підтримки заданої температури в басейнах за допомогою опалювальних котлів, сонячних колекторів, теплових насосів опалення. Матеріал корпусу – нержавіюча сталь AISI 316. Країна-виробник – Італія. Розраховані для роботи за низьких температур 70°C або 60°C.
Потужність пластинчастого теплообмінника при 70° - 75 кВт.
Потужність теплообмінника при 60° - 55 кВт.
Монтується виключно вертикально. Для правильної роботи вода повинна текти знизу вгору. Приєднання має бути при протилежному напрямку потоку первинного та вторинного контурів.

Монтаж теплообмінників необхідно проводити після фільтру. Пристрій дезінфекції води (хлоратор/електролізер) монтувати виключно після теплообмінника, щоб хімічні речовини у поєднанні з киснем не могли потрапити до нагрівача.
У комбінації із залишками хлору або подібними хімікатами кисень, навіть у найменших кількостях, здатний створювати агресивне середовище в теплообміннику та роз'їдає його.
Теплообмінник працює в парі з термостатом та циркуляційним насосом. Якщо температура води в басейні перевищує встановлене користувачем значення, то на термостаті спрацьовує автоматичне блокування подачі води в теплообмінник.
Купити теплообмінник можна в один клік у нашому інтернет-магазині з доставкою по всій території України в найкоротший термін.
Оплата доставки здійснюється за рахунок покупця.
Оплата товару може здійснюватися різними методами за бажанням покупця:
Компанія ТОВ «ВОТЕР ІНЖИНІРІНГ» здійснює гарантійне та післягарантійне обслуговування обладнання для басейнів, ставків, аквапарків, опалювального обладнання.
Для виконання гарантійного ремонту та обслуговування повинні бути дотримані такі умови:
Для запуску процесу гарантійного обслуговування необхідно виконати такі дії:
Для більш детальної інформації пройдіть за посиланням.