Каталог товарів
Каталог
Maxdapra X-PWT 409-VA 55 кВт пластинчастий теплообмінник для басейну
Опис
Характеристики
Інструкція/документація
Відгуки (0)
Оплата і доставка
Обмін і повернення
Maxdapra X-PWT 409-VA 55 кВт пластинчастий теплообмінник для басейну
Maxdapra X-PWT 409-VA 55 кВт пластинчастий теплообмінник для басейну - Фото №2
Код товару: 10 14 02

Maxdapra X-PWT 409-VA 55 кВт пластинчастий теплообмінник для басейну

на запит
на запит
Код товару: 10 14 02
Max Daprà
Матеріал корпуса
нержавіюча сталь aisi 316
Тип теплообмінника
пластинчастий
Потужність, кВт
55

Maxdapra X-PWT 409-VA 55 кВт пластинчастий теплообмінник для басейну

Пластинчастий теплообмінник для басейну для системи нагрівання води та підтримки заданої температури в басейнах за допомогою опалювальних котлів, сонячних колекторів, теплових насосів опалення. Матеріал корпусу – нержавіюча сталь AISI 316. Країна-виробник – Італія. Розраховані для роботи за низьких температур 70°C або 60°C.

Потужність пластинчастого теплообмінника при 70 ° - 55 кВт. Потужність теплообмінника при 60° - 38 кВт.

Монтується виключно вертикально. Для правильної роботи вода повинна текти знизу вгору. Приєднання має бути при протилежному напрямку потоку первинного та вторинного контурів.

Розташовуємо теплообмінник у трубопроводі після фільтра. Пристрій дезінфекції води (хлоратор/електролізер) монтувати виключно після теплообмінника, щоб хімічні речовини у поєднанні з киснем не могли потрапити до нагрівача.

У комбінації із залишками хлору або подібними хімікатами кисень, навіть у найменших кількостях, здатний створювати агресивне середовище в теплообміннику та роз'їдає його.

Теплообмінник працює в парі з термостатом та циркуляційним насосом. Якщо температура води в басейні перевищує встановлене користувачем значення, то на термостаті спрацьовує автоматичне блокування подачі води в теплообмінник.

Купити теплообмінник можна в один клік у нашому інтернет-магазині з доставкою по всій території України в найкоротший термін.

Напишіть свій відгук про товар
Оставить отзыв
Ваше ім'я*
Ел. пошта*
Ваш відгук*
Бренд
Вага
25 кг
Країна виробник
Италия
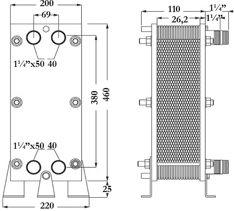
Розмір з'єднання контура нагріву
50 мм
Розмір з'єднання контуру опалення
1 1/4”
Матеріал корпуса
нержавіюча сталь aisi 316
Тип теплообмінника
пластинчастий
Потужність, кВт
55
Тип
Теплообмінники
Maxdapra X-PWT 409-VA 55 кВт пластинчастий теплообмінник для басейну
Maxdapra X-PWT 409-VA 55 кВт пластинчастий теплообмінник для басейну
на запит
на запит
Maxdapra X-PWT 409-VA 55 кВт пластинчастий теплообмінник для басейну
Maxdapra X-PWT 409-VA 55 кВт пластинчастий теплообмінник для басейну
на запит
на запит
Залишити відгук
Напишіть свій відгук про товар
Оставить отзыв
Ваше ім'я*
Ел. пошта*
Ваш відгук*
Maxdapra X-PWT 409-VA 55 кВт пластинчастий теплообмінник для басейну
Maxdapra X-PWT 409-VA 55 кВт пластинчастий теплообмінник для басейну
на запит
на запит

Доставка та відвантаження обладнання купленого в інтернет магазині waterstore.ua здійснюється такими способами:

  • Самовивіз в офісі компанії за адресою м. Київ, вул. Ганни Ахматової, 16А, оф. 20
  • Кур'єром за вказаною Вами адресою 
  • Новою Поштою

Оплата доставки здійснюється за рахунок покупця.

Оплата товару може здійснюватися різними методами за бажанням покупця:

  • Оплата готівкою кур'єру при отриманні товару
  • Безготівкова передплата на розрахунковий рахунок компанії waterstore.ua

Гарантійне та пост гарантійне обслуговування

Компанія ТОВ «ВОТЕР ІНЖИНІРІНГ» здійснює гарантійне та післягарантійне обслуговування обладнання для басейнів, ставків, аквапарків, опалювального обладнання.

Для виконання гарантійного ремонту та обслуговування повинні бути дотримані такі умови:

  • Обладнання, що потребує гарантійного обслуговування, було придбано в інтернет магазині waterstore.ua.
  • Устаткування має бути змонтоване та підключене відповідно до інструкцій, ТУ, ДБН.
  • Монтаж опалювального обладнання має проводитись виключно сертифікованими організаціями, вводитися в експлуатацію представником компанії виробника.

Для запуску процесу гарантійного обслуговування необхідно виконати такі дії:

  • Надати співробітникам компанії ТОВ «ВОТЕР ІНЖИНІРІНГ» рахунок, що підтверджує покупку в інтернет магазині waterstore.ua
  • Перемістити товар до офісу компанії ТОВ «ВОТЕР ІНЖИНІРІНГ». Переміщення здійснюється за рахунок покупця.

Для більш детальної інформації пройдіть за посиланням.

Схожі товари
Додати в порівняння
Vagner електротермостат для теплообмінника NEW IP65 на DIN рейці Vagner електротермостат для теплообмінника NEW IP65 на DIN рейці
Бренд: Vagner Pool,Матеріал корпуса: пластик,Тип теплообмінника: цифровий контролер Категорія: Maxdapra X-PWT 409-VA 55 кВт пластинчастий теплообмінник для басейну
8 654грн
Додати в порівняння
Aquaviva Twist 704 кВт 316L трубчатый теплообмінник Aquaviva Twist 704 кВт 316L трубчатый теплообмінник
Бренд: AQUAVIVA,Матеріал корпуса: нержавіюча сталь 316,Тип теплообмінника: трубчастий,Потужність, кВт: 704 Категорія: Maxdapra X-PWT 409-VA 55 кВт пластинчастий теплообмінник для басейну
98 341грн
Додати в порівняння
Aquaviva Twist 352 кВт 316L трубчатый теплообмінник Aquaviva Twist 352 кВт 316L трубчатый теплообмінник
Бренд: AQUAVIVA,Матеріал корпуса: нержавіюча сталь 316,Тип теплообмінника: трубчастий,Потужність, кВт: 352 Категорія: Maxdapra X-PWT 409-VA 55 кВт пластинчастий теплообмінник для басейну
59 598грн
Додати в порівняння
Aquaviva Twist 175 кВт 316L трубчатый теплообмінник Aquaviva Twist 175 кВт 316L трубчатый теплообмінник
Бренд: AQUAVIVA,Матеріал корпуса: нержавіюча сталь 316,Тип теплообмінника: трубчастий,Потужність, кВт: 175 Категорія: Maxdapra X-PWT 409-VA 55 кВт пластинчастий теплообмінник для басейну
38 055грн
Додати в порівняння
Aquaviva Twist 105 кВт 316L трубчатый теплообмінник Aquaviva Twist 105 кВт 316L трубчатый теплообмінник
Бренд: AQUAVIVA,Матеріал корпуса: нержавіюча сталь 316,Тип теплообмінника: трубчастий,Потужність, кВт: 105 Категорія: Maxdapra X-PWT 409-VA 55 кВт пластинчастий теплообмінник для басейну
25 310грн
Додати в порівняння
Aquaviva Twist 88 кВт 316L трубчатый теплообмінник Aquaviva Twist 88 кВт 316L трубчатый теплообмінник
Бренд: AQUAVIVA,Матеріал корпуса: нержавіюча сталь 316,Тип теплообмінника: трубчастий,Потужність, кВт: 88 Категорія: Maxdapra X-PWT 409-VA 55 кВт пластинчастий теплообмінник для басейну
16 216грн
Додати в порівняння
Aquaviva Twist 61 кВт 316L трубчатый теплообмінник Aquaviva Twist 61 кВт 316L трубчатый теплообмінник
Бренд: AQUAVIVA,Матеріал корпуса: нержавіюча сталь 316,Тип теплообмінника: трубчастий,Потужність, кВт: 61 Категорія: Maxdapra X-PWT 409-VA 55 кВт пластинчастий теплообмінник для басейну
13 391грн
Додати в порівняння
Aquaviva Twist 45 кВт 316L трубчатый теплообмінник Aquaviva Twist 45 кВт 316L трубчатый теплообмінник
Бренд: AQUAVIVA,Матеріал корпуса: нержавіюча сталь 316,Тип теплообмінника: трубчастий,Потужність, кВт: 45 Категорія: Maxdapra X-PWT 409-VA 55 кВт пластинчастий теплообмінник для басейну
10 991грн
Додати в порівняння
Aquaviva Twist 25 кВт 316L трубчатый теплообмінник Aquaviva Twist 25 кВт 316L трубчатый теплообмінник
Бренд: AQUAVIVA,Матеріал корпуса: нержавіюча сталь 316,Тип теплообмінника: трубчастий,Потужність, кВт: 25 Категорія: Maxdapra X-PWT 409-VA 55 кВт пластинчастий теплообмінник для басейну
11 739грн
Додати в порівняння
Aquaviva Twist 704 кВт Titanium трубчатый теплообмінник Aquaviva Twist 704 кВт Titanium трубчатый теплообмінник
Бренд: AQUAVIVA,Матеріал корпуса: титан,Тип теплообмінника: трубчастий,Потужність, кВт: 704 Категорія: Maxdapra X-PWT 409-VA 55 кВт пластинчастий теплообмінник для басейну
140 997грн
Супутні товари
Додати в порівняння
ПВХ труба 10 атм, Ø 40мм (шт-га 3м, ціна за 1 м.п.) ПВХ труба 10 атм, Ø 40мм (шт-га 3м, ціна за 1 м.п.)
Бренд: ERA,Діаметр, мм: 40,Робочий тиск, бар: 10,Тип труби: жорстка Категорія: Maxdapra X-PWT 409-VA 55 кВт пластинчастий теплообмінник для басейну
118грн
Додати в порівняння
ПВХ труба гнучка Ø 63мм Flex Fit Ferroplast ПВХ труба гнучка Ø 63мм Flex Fit Ferroplast
Бренд: Ferroplast,Діаметр, мм: 63,Робочий тиск, бар: 16,Тип труби: гнучка Категорія: Maxdapra X-PWT 409-VA 55 кВт пластинчастий теплообмінник для басейну
521грн
Додати в порівняння
Seko Pool Kronos 10 pH 1,5 л / ч автоматичний насос дозатор для басейну Seko Pool Kronos 10 pH 1,5 л / ч автоматичний насос дозатор для басейну
Бренд: Seko,Продуктивність, л / год: 1.5,Тип насоса дозатора: перистальтичний,Регулювання: автоматична,Призначення насоса дозатора: ph Категорія: Maxdapra X-PWT 409-VA 55 кВт пластинчастий теплообмінник для басейну
13 902грн
Додати в порівняння
ПВХ труба PN10 Lareter прозора d50 мм ПВХ труба PN10 Lareter прозора d50 мм
Бренд: Lareter,Діаметр, мм: 50,Робочий тиск, бар: 10,Тип труби: жорстка Категорія: Maxdapra X-PWT 409-VA 55 кВт пластинчастий теплообмінник для басейну
2 418грн
Переглянуті товари
Додати в порівняння
Rosa Gres Serena Nero Infinity I25 керамогранітні переливні грати для басейну, 62,6 x 24,5 x 2,2 Rosa Gres Serena Nero Infinity I25 керамогранітні переливні грати для басейну, 62,6 x 24,5 x 2,2
Бренд: Rosa Gres,Тип: решітка,Матеріал: Керамогранітна переливна решітка,Висота, мм: 22,Ширина, мм: 245,Довжина, мм: 626 Категорія: Maxdapra X-PWT 409-VA 55 кВт пластинчастий теплообмінник для басейну
5 982грн
Додати в порівняння
Maxdapra X-PWT 407-VA 40 кВт пластинчастий теплообмінник для басейну Maxdapra X-PWT 407-VA 40 кВт пластинчастий теплообмінник для басейну
Бренд: Max Daprà ,Матеріал корпуса: нержавіюча сталь aisi 316,Тип теплообмінника: пластинчастий,Потужність, кВт: 40 Категорія: Maxdapra X-PWT 409-VA 55 кВт пластинчастий теплообмінник для басейну
на запит
Додати в порівняння
Maxdapra X-PWT 415-VA 100 кВт пластинчастий теплообмінник для басейну Maxdapra X-PWT 415-VA 100 кВт пластинчастий теплообмінник для басейну
Бренд: Max Daprà ,Матеріал корпуса: нержавіюча сталь aisi 316,Тип теплообмінника: пластинчастий,Потужність, кВт: 100 Категорія: Maxdapra X-PWT 409-VA 55 кВт пластинчастий теплообмінник для басейну
на запит
Додати в порівняння
Chemoform Multitab хлор 4 в 1 у таблетках 20г 1 кг Chemoform Multitab хлор 4 в 1 у таблетках 20г 1 кг
Бренд: Chemoform ,Тара, кг/л: 1,Хлор для басейну: Таблетки Категорія: Maxdapra X-PWT 409-VA 55 кВт пластинчастий теплообмінник для басейну
795грн
Додати в порівняння
Одинарне коло для водних гірок 42 Одинарне коло для водних гірок 42" Zebec жовтий тип Крапля
Бренд: Zebec,Кількість місць: одинарний Категорія: Maxdapra X-PWT 409-VA 55 кВт пластинчастий теплообмінник для басейну
3 514грн
javascript:;