Фланцевий адаптер ПВХ Ø 200 мм Coraplax застосовується як клейовий адаптер для з'єднання труб ПВХ з фланцем. Фланцевий адаптер можна придбати як окремий елемент без покупки самого фланця.
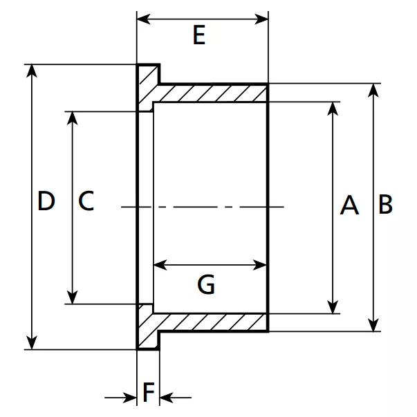
Габаритні розміри фланцевого адаптера ПВХ Ø 200 мм Coraplax:

| Розмір DN: 175; | Розмір A: 200 мм; | Розмір B: 231 мм; | Розмір С: 196 мм; | Розмір D: 255 мм; | Розмір E: 112 мм; | Розмір F: 19 мм; | Розмір G: 104 мм; | Вага: 1,861 кг |
Купити фланцевий адаптер ПВХ Ø 200 мм Coraplax ви можете в нашому інтернет магазині, з доставкою по всій Україні.
Оплата доставки здійснюється за рахунок покупця.
Оплата товару може здійснюватися різними методами за бажанням покупця:
Компанія ТОВ «ВОТЕР ІНЖИНІРІНГ» здійснює гарантійне та післягарантійне обслуговування обладнання для басейнів, ставків, аквапарків, опалювального обладнання.
Для виконання гарантійного ремонту та обслуговування повинні бути дотримані такі умови:
Для запуску процесу гарантійного обслуговування необхідно виконати такі дії:
Для більш детальної інформації пройдіть за посиланням.