Фланцевий адаптер ПВХ Ø 140 мм Coraplax застосовується як клейовий адаптер для з'єднання труб ПВХ з фланцем. Фланцевий адаптер можна придбати як окремий елемент без покупки самого фланця.
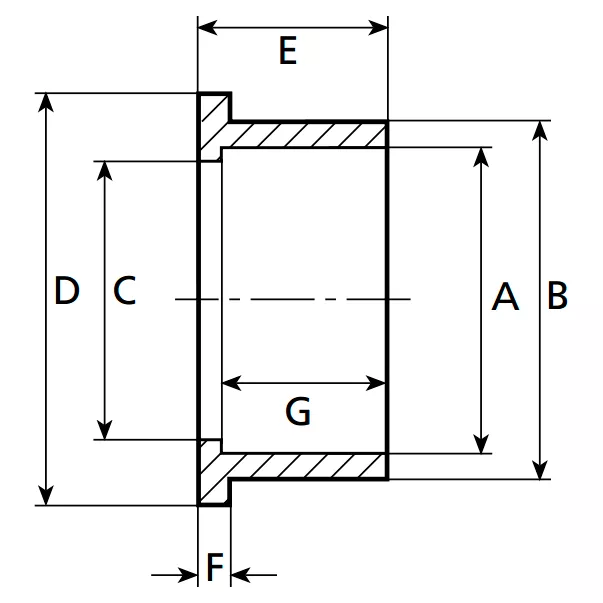
Габаритні розміри фланцевого адаптера ПВХ Ø 140 мм Coraplax:

| Розмір DN: 125; | Розмір A: 140 мм; | Розмір B: 165 мм; | Розмір С: 132 мм; | Розмір D: 188 мм; | Розмір E: 80 мм; | Розмір F: 14 мм; | Розмір G: 76 мм; | Вага: 0,786 кг |
Купити фланцевий адаптер ПВХ Ø 140 мм Coraplax ви можете в нашому інтернет-магазині, з доставкою по всій Україні.
Оплата доставки здійснюється за рахунок покупця.
Оплата товару може здійснюватися різними методами за бажанням покупця:
Компанія ТОВ «ВОТЕР ІНЖИНІРІНГ» здійснює гарантійне та післягарантійне обслуговування обладнання для басейнів, ставків, аквапарків, опалювального обладнання.
Для виконання гарантійного ремонту та обслуговування повинні бути дотримані такі умови:
Для запуску процесу гарантійного обслуговування необхідно виконати такі дії:
Для більш детальної інформації пройдіть за посиланням.